Запчасти Komatsu WA700-1ПОЛ РАМА И ЧАСТИ КОРПУСА

Схема запчастей Komatsu WA700-1 -  ПОЛ РАМА И ЧАСТИ КОРПУСА
FIT
1:1
100%

Артикул

Название

Примечание

Количество

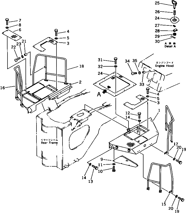
1

428-54-12211

FLOOR,L.H.

SN: 10001-UP

1шт.

2

428-54-12221

FLOOR,R.H.

SN: 10001-UP

1шт.

3

428-54-12580

COVER

SN: 10001-UP

2шт.

3

428-54-12241

COVER,(FOR ROPS CANOPY)

SN: 10001-UP

2шт.

4

01010-81230

BOLT

SN: 10001-UP

8шт.

5

01643-31232

WASHER

SN: 10001-UP

8шт.

6

428-54-12251

COVER

SN: 10001-UP

1шт.

7

01010-81230

BOLT

SN: 10001-UP

4шт.

8

01643-31232

WASHER

SN: 10001-UP

4шт.

9

428-54-12571

COVER

SN: 10001-UP

1шт.

10

01010-81225

BOLT

SN: 10001-UP

5шт.

11

01643-31232

WASHER

SN: 10001-UP

5шт.

12

01010-81230

BOLT

SN: 10001-UP

12шт.

13

01010-81235

BOLT

SN: 10001-UP

4шт.

14

124-54-26540

WASHER

SN: 10001-UP

16шт.

15

428-54-12540

HANDRAIL,L.H.

SN: 10001-UP

1шт.

16

428-54-12550

HANDRAIL,R.H.

SN: 10001-UP

1шт.

17

428-54-12161

HANDRAIL,L.H.

SN: 10001-UP

1шт.

18

428-54-12171

HANDRAIL,R.H.

SN: 10001-UP

1шт.

19

01010-81230

BOLT

SN: 10001-UP

24шт.

20

01643-31232

WASHER

SN: 10001-UP

24шт.

21

418-60-15150

STOPPER

SN: 10001-UP

1шт.

22

01220-40630

SCREW

SN: 10001-UP

1шт.

23

01602-20619

WASHER,SPRING

SN: 10001-UP

1шт.

24

428-54-12231

COVER

SN: 10001-UP

1шт.

25

426-06-11261

HANDLE

SN: 10001-UP

1шт.

26

09468-00003

SPRING

SN: 10001-UP

1шт.

27

04025-00532

PIN,SPRING

SN: 10001-UP

1шт.

28

426-06-11270

LOCK

SN: 10001-UP

1шт.

29

01590-31215

NUT

SN: 10001-UP

1шт.

30

04050-13020

PIN,COTTER

SN: 10001-UP

1шт.

31

01010-81225

BOLT

SN: 10001-UP

6шт.

32

01643-31232

WASHER

SN: 10001-UP

6шт.

33

418-60-15150

STOPPER

SN: 10001-UP

1шт.

34

01220-40630

SCREW

SN: 10001-UP

1шт.

35

01602-20619

WASHER,SPRING

SN: 10001-UP

1шт.

Выбрано товаров: 36