Запчасти Komatsu WA700-1 КЛАПАН УПРАВЛЕНИЯ ТРАНСМИССИЕЙ (/) ГИДРОТРАНСФОРМАТОР И ТРАНСМИССИЯ

Схема запчастей Komatsu WA700-1 - КЛАПАН УПРАВЛЕНИЯ ТРАНСМИССИЕЙ (/) ГИДРОТРАНСФОРМАТОР И ТРАНСМИССИЯ
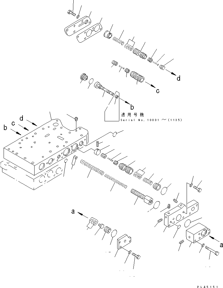
1
2
3
4
5
5
6
6
7
7
8
8
9
10
11
11
12
13
14
15
16
17
18
19
20
21
22
23
24
25
26
27
28
29
30
31
31
31
32
33
34
34
35
35
36
37
38
39
40
41
42
43
44
45
46
47
47
FIT
1:1
100%

Артикул

Название

Примечание

Количество

|$$1

SERIAL NO. IN ( ) INDICATES TRANSMISSION SERIAL NO.

-1шт.

|$1

428-15-00011

TRANSMISSION ASS'Y

SN: 10001-UP

1шт.

|$$3

THIS ASSEMBLY CONSISTS OF ALL PARTS SHOWN IN FIGS.2501 TO 2525.

-1шт.

|$3

428-15-00110

CONTROL VALVE ASS'Y

SN: 10001-UP

1шт.

|$$5

THIS ASSEMBLY CONSISTS OF ALL PARTS SHOWN IN FIGS.2521 TO 2525.

-1шт.

|$5

428-15-00250

BODY ASS'Y

SN: 10001-UP

1шт.

1

0

BODY,VALVE

SN: 10001-UP

1шт.

2

07042-30108

PLUG

SN: 10001-UP

6шт.

3

424-15-15650

STOPPER

SN: 10001-UP

1шт.

4

04025-00640

PIN,SPRING

SN: 10001-UP

1шт.

5

425-15-15220

VALVE

SN: 10001-UP

2шт.

6

104-15-25490

VALVE

SN: 10001-UP

2шт.

7

125-15-15290

SPRING

SN: 10001-UP

2шт.

8

104-15-25480

VALVE

SN: 10001-UP

2шт.

9

113-15-25260

SHIM, 0.5MM

SN: 10001-UP

14шт.

10

113-15-25260

SHIM, 0.5MM

SN: 10001-UP

4шт.

11

104-15-25290

SPRING, (L= 62.0)

SN: 10001-UP

2шт.

12

424-15-15490

GUIDE

SN: 10001-UP

1шт.

13

425-15-15480

GUIDE

SN: 10001-UP

1шт.

14

424-15-15240

VALVE

SN: 10001-UP

1шт.

15

104-15-25490

VALVE

SN: 10001-UP

1шт.

16

125-15-15290

SPRING

SN: 10001-UP

1шт.

17

104-15-25480

VALVE

SN: 10001-UP

1шт.

18

428-15-15560

VALVE

SN: 10001-UP

1шт.

19

428-15-16170

SPRING

SN: 10001-UP

1шт.

20

428-15-16160

SPRING

SN: 10001-UP

1шт.

21

113-15-25260

SHIM, 0.5MM

SN: 10001-UP

3шт.

22

428-15-15630

VALVE

SN: (1136)-UP

1шт.

22

0

VALVE ASS'Y

SN: 10001-(1135)

1шт.

22

0

VALVE

SN: 10001-(1135)

1шт.

23

125-15-11230

PLUG

SN: 10001-(1135)

1шт.

24

424-15-15290

STOPPER

SN: 10001-UP

1шт.

25

07000-72021

O-RING (K4)

SN: 10001-UP

1шт.

26

424-15-15860

COVER

SN: 10001-UP

1шт.

27

424-15-15931

GASKET (K4)

SN: (1103)-UP

1шт.

27

0

GASKET (K4)

SN: 10001-(1102)

1шт.

28

01010-50820

BOLT

SN: 10001-UP

5шт.

29

01643-30823

WASHER

SN: 10001-UP

5шт.

30

428-15-15520

COVER

SN: 10001-UP

1шт.

31

07043-00108

PLUG

SN: 10001-UP

3шт.

32

428-15-15510

BODY,VALVE

SN: 10001-UP

1шт.

33

07042-20108

PLUG

SN: 10001-UP

1шт.

34

07000-73035

O-RING (K4)

SN: 10001-UP

2шт.

35

07000-72015

O-RING (K4)

SN: 10001-UP

2шт.

36

07000-73030

O-RING (K4)

SN: 10001-UP

1шт.

37

07000-72021

O-RING (K4)

SN: 10001-UP

1шт.

38

125-15-36480

SHIM, 0.5MM

SN: 10001-UP

5шт.

39

561-15-15530

VALVE

SN: 10001-UP

1шт.

40

428-15-15540

VALVE

SN: 10001-UP

1шт.

41

428-15-15530

COVER

SN: 10001-UP

1шт.

42

07000-73030

O-RING (K4)

SN: 10001-UP

1шт.

43

01010-50835

BOLT

SN: 10001-UP

1шт.

44

01643-30823

WASHER

SN: 10001-UP

1шт.

45

23A-15-11260

BOLT

SN: 10001-UP

1шт.

46

125-15-36410

BOLT

SN: 10001-UP

3шт.

47

01643-30823

WASHER

SN: 10001-UP

4шт.

Выбрано товаров: 56