Запчасти Komatsu WA700-1 СУППОРТЫ КАБИНЫ(ДЛЯ УПРАВЛ-Е ДЖОЙСТИКОМ) РАМА И ЧАСТИ КОРПУСА

Схема запчастей Komatsu WA700-1 - СУППОРТЫ КАБИНЫ(ДЛЯ УПРАВЛ-Е ДЖОЙСТИКОМ) РАМА И ЧАСТИ КОРПУСА
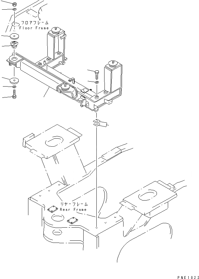
1
2
3
4
5
6
6
7
8
9
10
FIT
1:1
100%

Артикул

Название

Примечание

Количество

1

428-S33-1820

SUPPORT

SN: 10001-UP

1шт.

2

01011-81670

BOLT

SN: 10001-UP

6шт.

3

01643-31645

WASHER

SN: 10001-UP

6шт.

4

419-70-13190

SHIM¤ 0.5MM

SN: 10001-UP

-2шт.

|4

419-70-13180

SHIM¤ 1.0MM

SN: 10001-UP

-2шт.

5

428-54-13210

CUSHION

SN: 10001-UP

4шт.

6

425-54-13170

PLATE

SN: 10001-UP

8шт.

7

01011-81625

BOLT

SN: 10001-UP

4шт.

8

01643-31645

WASHER

SN: 10001-UP

4шт.

9

01596-01615

NUT,LOCK

SN: 10001-UP

4шт.

10

416-40-11150

WASHER

SN: 10001-UP

4шт.

Выбрано товаров: 11