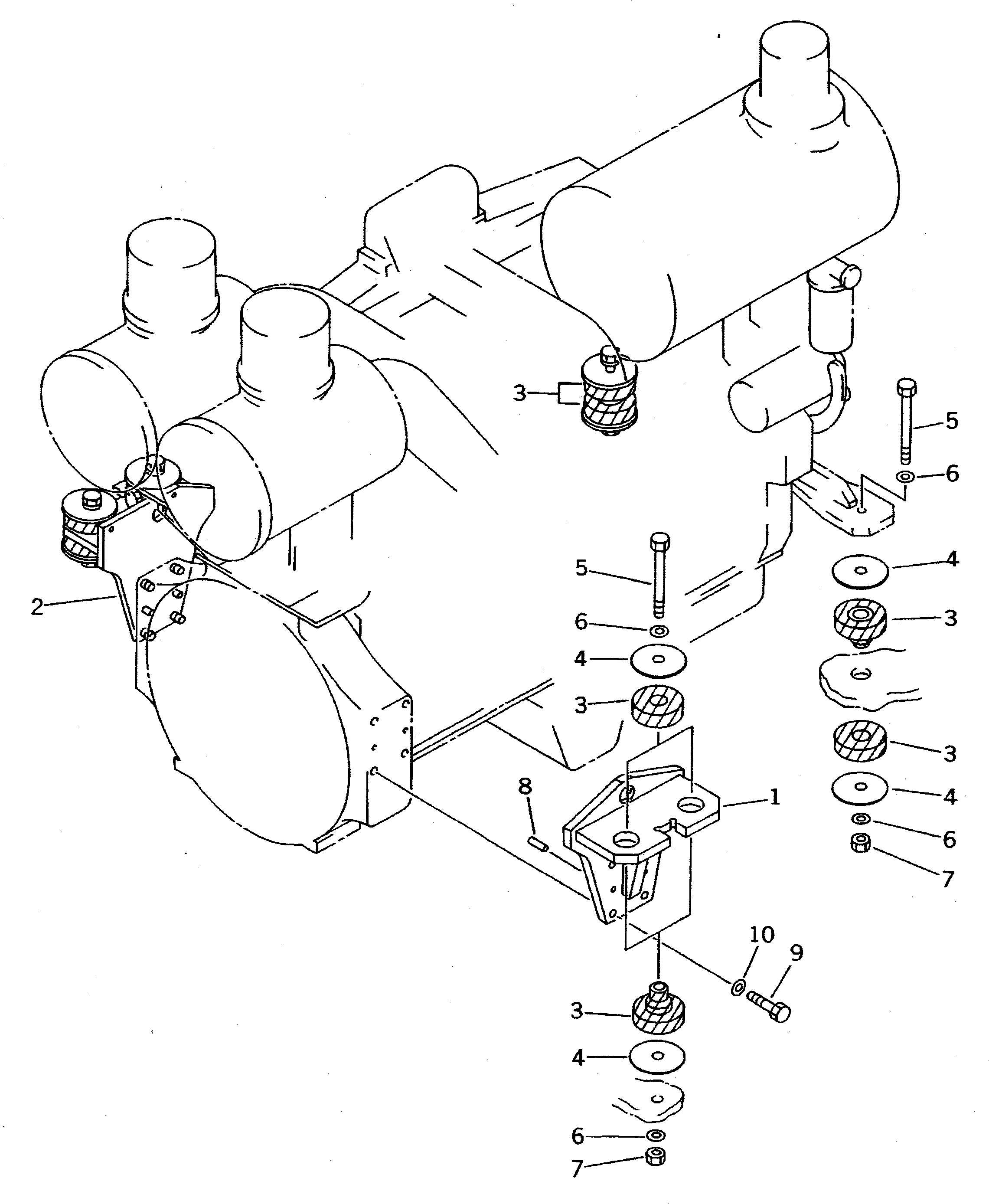
Запчасти Komatsu WA700-1 КРЕПЛЕНИЕ ДВИГАТЕЛЯ КОМПОНЕНТЫ ДВИГАТЕЛЯ И ЭЛЕКТРИКА

Схема запчастей Komatsu WA700-1 - КРЕПЛЕНИЕ ДВИГАТЕЛЯ КОМПОНЕНТЫ ДВИГАТЕЛЯ И ЭЛЕКТРИКА
FIT
1:1
100%

Артикул

Название

Примечание

Количество

1

428-01-11111

BRACKET,L.H.

SN: 10001-UP

1шт.

2

428-01-11124

BRACKET,R.H.

SN: 10001-UP

1шт.

|2

428-Z17-1160

BRACKET,(FOR MECHANICAL ENG. STOP S.)

SN: 10001-UP

1шт.

3

424-01-11310

CUSHION ASS'Y

SN: 10001-UP

6шт.

4

424-01-11220

WASHER

SN: 10001-UP

12шт.

5

01011-62460

BOLT

SN: 10001-UP

6шт.

6

01643-32460

WASHER

SN: 10001-UP

12шт.

7

01596-02419

NUT

SN: 10001-UP

6шт.

8

04020-01434

PIN

SN: 10001-UP

4шт.

9

01016-51850

BOLT

SN: 10001-UP

8шт.

10

01643-31845

WASHER

SN: 10001-UP

8шт.

Выбрано товаров: 11