Запчасти Komatsu WA700-1L ГИДРАВЛИКА РУЛ. УПРАВЛЕНИЯ (/) РУЛЕВ. УПРАВЛЕНИЕ СИСТЕМА УПРАВЛЕНИЯ

Схема запчастей Komatsu WA700-1L - ГИДРАВЛИКА РУЛ. УПРАВЛЕНИЯ (/) РУЛЕВ. УПРАВЛЕНИЕ СИСТЕМА УПРАВЛЕНИЯ
38
23
25
19
20
13
14
12
16
10
11
17
15
2
3
1
23
36
27
33
37
35
32
4
5
28
25
30
24
22
34
6
7
38
5
4
9
18
8
16
17
20
13
14
12
10
11
15
24
29
34
21
37
36
35
26
28
33
31
FIT
1:1
100%

Артикул

Название

Примечание

Количество

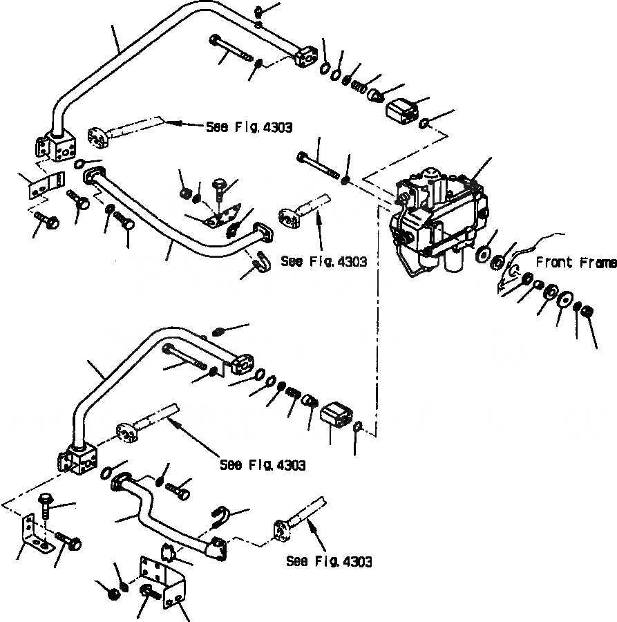
1

702-23-03202

VALVE ASS'Y, STEERING DEMAND (SEE PG )

-29шт.

2

01011-81255

BOLT

3шт.

3

01643-31232

WASHER

3шт.

4

418-54-13220

WASHER

6шт.

5

418-54-13151

CUSHION

6шт.

6

418-54-13161

CUSHION

3шт.

7

428-64-15110

COLLAR

3шт.

8

01596-01211

NUT, LOCK

3шт.

9

01643-31232

WASHER

3шт.

|$9

428-62-11360

VALVE ASS'Y

2шт.

10

428-62-11370

VALVE

1шт.

11

207-60-11840

BODY

1шт.

12

205-60-51310

SPRING

1шт.

13

04065-02812

RING, SNAP

1шт.

14

205-60-51320

SEAT

1шт.

15

07000-F3032

O-RING

2шт.

16

01011-51050

BOLT

8шт.

17

01643-51032

WASHER

8шт.

18

428-62-11292

TUBE

1шт.

19

428-62-11212

TUBE

1шт.

20

07000-F3035

O-RING

2шт.

21

428-62-11331

TUBE

1шт.

22

428-62-11230

TUBE

1шт.

23

07000-F3035

O-RING

2шт.

24

07372-21040

BOLT

8шт.

25

01643-51032

WASHER

8шт.

26

427-62-12350

PLATE

1шт.

27

428-62-11240

PLATE

1шт.

28

01435-01035

BOLT

4шт.

29

01435-01020

BOLT

2шт.

30

01435-01025

BOLT

2шт.

31

428-62-11340

PLATE

1шт.

32

428-62-11250

PLATE

1шт.

33

01435-01020

BOLT

4шт.

34

07283-33450

CLIP

4шт.

35

07283-53444

SEAT

4шт.

36

01597-01009

NUT

8шт.

37

01643-31032

WASHER

8шт.

38

07042-20108

PLUG

3шт.

Выбрано товаров: 39