Качественные детали и логистика
Оригинальные и аналоговые запчасти с доставкой по России, Казахстану и Беларуси
©2022 PartSell ООО "Система" ИНН 2463123282 ОГРН 1212400004838
Центральный офис: г. Красноярск, Академика Киренского, д.87, пом.4
Телефон: 8 (800) 777-65-74 Email: zakaz@partsell.ru
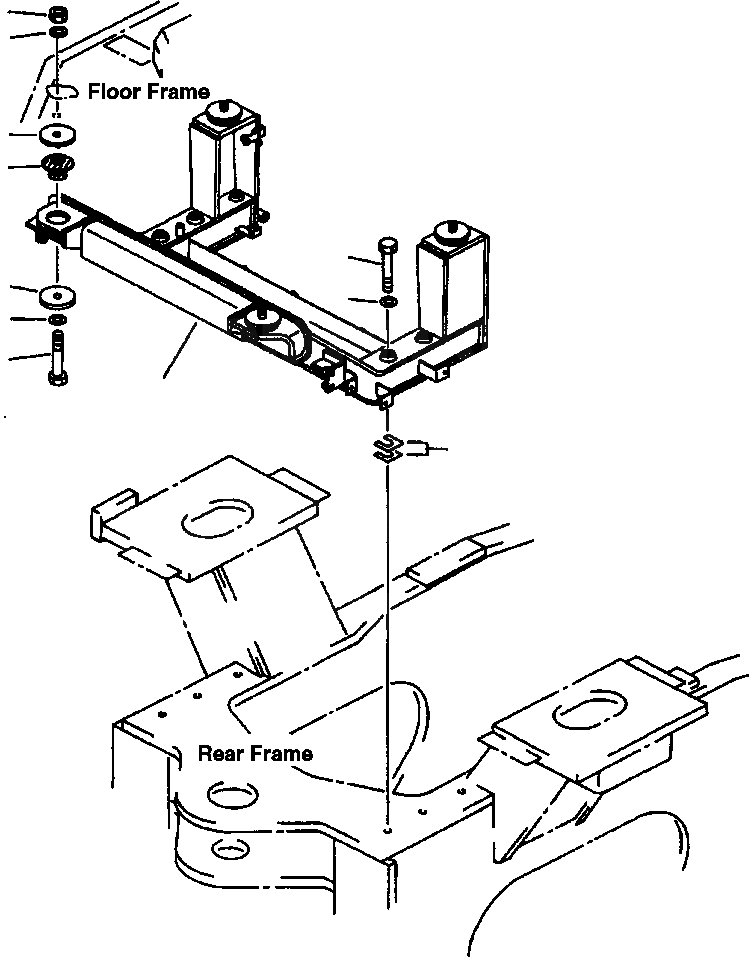
ПОЛ СУППОРТ
№
Артикул
Название
Примечание
Количество
1
428-54-13112
SUPPORT
1шт.
2
01011-81670
BOLT
6шт.
3
01643-31645
WASHER
4
419-70-13190
SHIM, 0.5MM
-2шт.
|$4
419-70-13180
SHIM, 1.0MM
5
428-54-13210
CUSHION
4шт.
6
425-54-13170
PLATE
8шт.
7
01011-81625
8
9
01596-01615
NUT, LOCK
10
416-40-11150
Выбрано товаров: 0