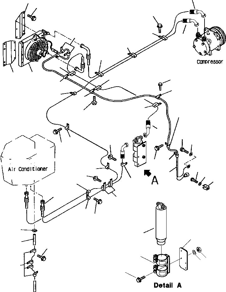
Запчасти Komatsu WA700-1L ТРУБКИ КОНДИЦИОНЕРА И КОНДЕНСАТОР WA7 РАМА

Схема запчастей Komatsu WA700-1L - ТРУБКИ КОНДИЦИОНЕРА И КОНДЕНСАТОР WA7 РАМА
1
40
41
11
10
16
2
10
10
14
39
38
14
13
16
16
12
16
14
15
44
5
19
20
32
12
13
16
17
22
31
23
32
18
21
31
9
33
30
32
35
28
34
37
25
26
36
29
30
27
24
FIT
1:1
100%

Артикул

Название

Примечание

Количество

1

428-07-A1250

HOSE

1шт.

2

428-07-A1240

HOSE

1шт.

5

428-07-A1220

HOSE

1шт.

9

428-07-A1230

HOSE

1шт.

10

04435-52212

CLIP

3шт.

11

01435-51016

BOLT

3шт.

12

04435-522120

CLIP

2шт.

13

01435-01016

BOLT

2шт.

14

04435-51510

CLIP

3шт.

15

01010-81016

BOLT

3шт.

16

08036-01014

CLIP

7шт.

17

01435-51016

BOLT

3шт.

18

426-S62-1220

WIRE ASSY

1шт.

19

01010-80816

BOLT

1шт.

20

01643-30823

WASHER

1шт.

21

08052-01311

CLIP

1шт.

22

01220-40608

SCREW

1шт.

23

01641-20608

WASHER

1шт.

24

427-07-A1220

DRIER

1шт.

25

427-07-A1170

BRACKET, DRIER

1шт.

26

01596-00807

NUT

2шт.

27

01643-30823

WASHER

2шт.

28

428-07-A1130

BRACKET

1шт.

29

01010-50825

BOLT

2шт.

30

04434-51510

CLIP

3шт.

31

04434-52212

CLIP

4шт.

32

01435-01016

BOLT

7шт.

33

04435-52212

CLIP

2шт.

34

427-07-A1250

HOSE, DRAIN

1шт.

35

07281-00259

CLAMP

1шт.

36

04434-51810

CLIP

5шт.

37

01435-01016

BOLT

4шт.

38

CONDENSER ASSY (SEE PG 05-102)

-29шт.

39

428-963-1110

BRACKET

1шт.

40

428-963-1120

BRACKET

1шт.

41

01435-01220

BOLT

4шт.

44

08036-01414

CLIP

1шт.

Выбрано товаров: 37