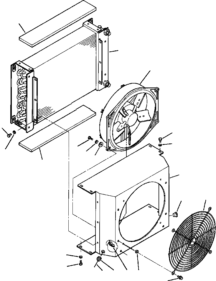
Запчасти Komatsu WA700-1L КОНДИЦ. КОНДЕНСАТОР РАМА

Схема запчастей Komatsu WA700-1L - КОНДИЦ. КОНДЕНСАТОР РАМА
14
13
3
1
12
12
11
9
11
8
7
14
4
17
11
12
2
6
5
15
16
FIT
1:1
100%

Артикул

Название

Примечание

Количество

|$0

20Y-979-A220

CONDENSER ASSEMBLY

1шт.

1

425-963-AC50

GUARD, FAN

1шт.

2

425-963-A820

ANCHOR, WIRE TIE

1шт.

3

20Y-979-A950

FAN ASSEMBLY

1шт.

4

425-963-A650

HOUSING, CONDENSER WELDMENT

1шт.

5

425-963-AB40

GROMMET

1шт.

6

425-963-A830

NUT, M8 X 1 1/4 ACORN

4шт.

7

01643-50823

WASHER, 8MM FLAT

4шт.

8

01602-20825

WASHER, 8MM LOCKING

4шт.

9

01010-50820

BOLT, M8 X 1 1/4 X 20 HEX

4шт.

11

416-942-A980

WASHER, 1/4 LOCKING

14шт.

12

01010-50610

BOLT, M6 X 1 X 10 HEX

14шт.

13

425-963-AC30

COIL, CONDENSER

1шт.

14

425-963-A580

FOAM, COVER

2шт.

15

20Y-979-A940

HARNESS, WIRING

1шт.

16

20Y-979-A960

BOLT, 1/4-20 X 3/4 FLANGE HEAD

4шт.

17

425-963-A890

PLUG, PLASTIC 9/16

1шт.

Выбрано товаров: 17