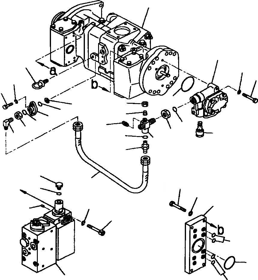
Запчасти Komatsu WA700-1L ПОГРУЗ. НАСОС (/9) УПРАВЛ-Е РАБОЧИМ ОБОРУДОВАНИЕМ

Схема запчастей Komatsu WA700-1L - ПОГРУЗ. НАСОС (/9) УПРАВЛ-Е РАБОЧИМ ОБОРУДОВАНИЕМ
1
11
32
14
13
19
18
33
31
15
17
30
16
22
25
29
21
12
28
27
20
24
26
34
23
6
35
8
7
3
10
8
9
5
4
2
5
FIT
1:1
100%

Артикул

Название

Примечание

Количество

|$0

708-25-03042

PUMP ASS'Y

1шт.

|$$2

-1шт.

|$2

THIS ASSEMBLY CONSISTS OF ALL PARTS

-1шт.

|$3

SHOWN IN FIGS. 6001 TO 6009.

-1шт.

1

708-25-03142

PUMP SUB ASS'Y

1шт.

2

708-25-08111

VALVE ASS'Y, SERVO, FRONT

1шт.

3

708-45-19981

PLATE

1шт.

4

0700-33048

O-RING

1шт.

5

07000-21009

O-RING

4шт.

6

01010-30830

BOLT

4шт.

7

01643-30823

WASHER

4шт.

8

04020-00616

PIN, DOWEL

2шт.

9

708-25-19130

BOLT

4шт.

10

01602-00825

WASHER, SPRING

4шт.

11

704-24-28203

PUMP ASS'Y

1шт.

12

708-25-64900

VALVE ASS'Y, RELIEF

1шт.

13

01010-31260

BOLT

2шт.

14

01643-31232

WASHER

2шт.

15

720-68-15240

FILTER

1шт.

16

708-25-19120

FLANGE

1шт.

17

07000-32021

O-RING

1шт.

18

01010-30820

BOLT

2шт.

19

01602-00825

WASHER, SPRING

2шт.

20

07232-30422

ELBOW

1шт.

21

07239-12009

NUT

1шт.

22

07002-32034

O-RING

1шт.

23

07102-20405

HOSE

1шт.

24

708-25-29120

JOINT

1шт.

25

07042-20108

PLUG

1шт.

26

07230-20422

UNION

1шт.

27

07002-32034

O-RING

1шт.

28

07239-12410

NUT

1шт.

29

07002-32434

O-RING

1шт.

30

07222-00414

PLUG

1шт.

31

07221-20422

NUT

1шт.

32

04530-01018

BOLT, EYE

1шт.

33

708-25-19180

O-RING

1шт.

34

07040-11409

PLUG

1шт.

35

07002-31423

O-RING

1шт.

Выбрано товаров: 39