Запчасти Komatsu WA700-1L ГИДРОЛИНИЯ (НАСОС - P.P.C. КЛАПАН) (/) УПРАВЛ-Е РАБОЧИМ ОБОРУДОВАНИЕМ

Схема запчастей Komatsu WA700-1L - ГИДРОЛИНИЯ (НАСОС - P.P.C. КЛАПАН) (/) УПРАВЛ-Е РАБОЧИМ ОБОРУДОВАНИЕМ
26
24
6
25
8
7
26
28
27
1
9
10
13
11
12
14
3
29
2
15
5
16
4
17
18
23
19
22
20
21
FIT
1:1
100%

Артикул

Название

Примечание

Количество

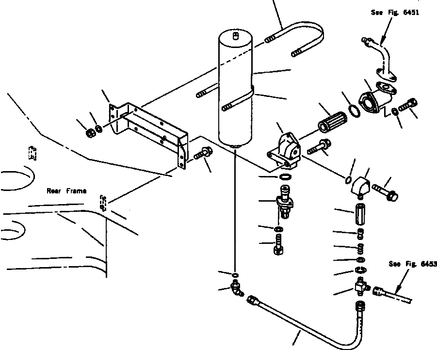
1

205-60-51251

BODY, VALVE

1шт.

2

700-71-54002

VALVE ASS'Y, RELIEF (SEE PG 06-046)

-29шт.

3

07000-13032

O-RING

1шт.

4

01252-41030

BOLT

2шт.

5

01643-51032

WASHER

2шт.

6

205-60-51261

CASE

1шт.

7

205-60-51270

ELEMENT

1шт.

8

07000-12060

O-RING

1шт.

9

07372-21030

BOLT

3шт.

10

01643-51032

WASHER

3шт.

11

01435-01290

BOLT

2шт.

12

424-62-15550

FLANGE

1шт.

13

07000-F3025

O-RING

1шт.

14

01435-01060

BOLT

2шт.

|$14

421-43-22951

VALVE ASS'Y

1шт.

15

419-43-27571

BODY

1шт.

16

419-43-27580

POPPET

1шт.

17

419-43-27590

SPRING

1шт.

18

205-60-51420

SEAT

1шт.

19

04065-01410

RING, SNAP

1шт.

20

427-62-11780

TEE

1шт.

21

07102-20303

HOSE

1шт.

22

07235-10315

ELBOW

1шт.

23

07002-22034

O-RING

1шт.

24

208-60-13110

ACCUMULATOR

1шт.

25

427-62-11161

BRACKET

1шт.

26

07283-21185

CLIP

2шт.

27

01597-01211

NUT

4шт.

28

01643-31232

WASHER

4шт.

29

01435-01225

BOLT

4шт.

Выбрано товаров: 30