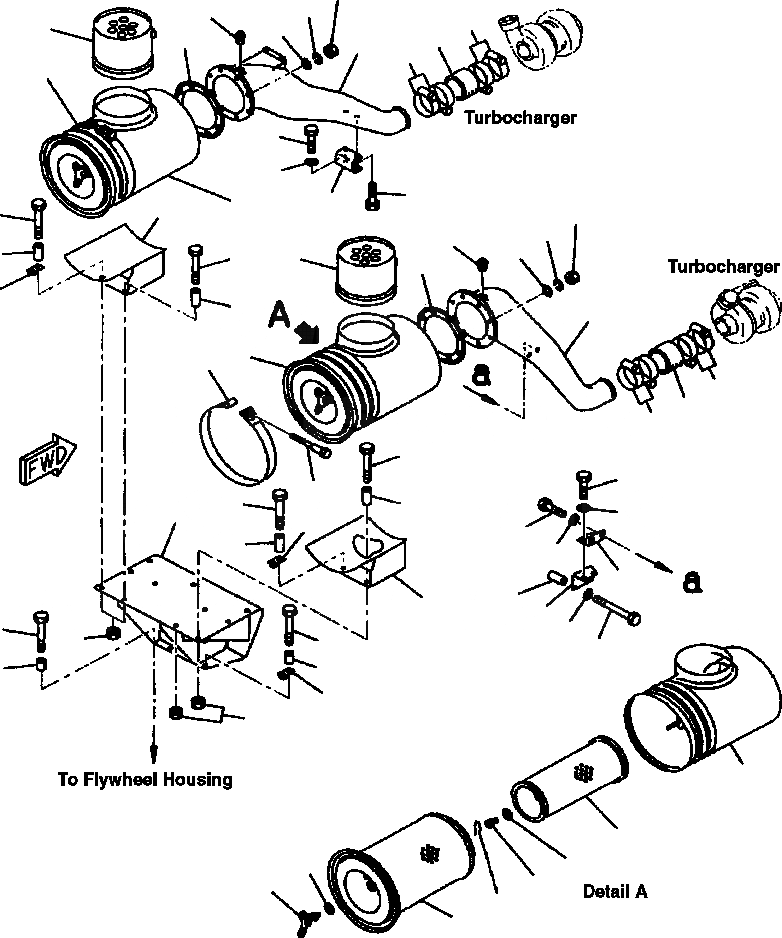
Запчасти Komatsu WA700-1L ВОЗДУХООЧИСТИТЕЛЬ ДВИГАТЕЛЬ

Схема запчастей Komatsu WA700-1L - ВОЗДУХООЧИСТИТЕЛЬ ДВИГАТЕЛЬ
13
14
38
40
15
9
39
12
26
40
10
36
34
17
32
1
13
20
14
38
15
21
18
9
12
19
25
18
1
10
40
39
40
21
33
11
20
16
18
35
19
34
35
31
29
17
27
23
30
22
23
28
24
24
19
22
1
2
7
3
6
4
8
5
37
18
FIT
1:1
100%

Артикул

Название

Примечание

Количество

|$0

6127-82-7106

AIR CLEANER ASS'Y

2шт.

1

6127-82-7115

BODY

1шт.

|$2

6128-81-7042

ELEMENT ASS'Y

1шт.

2

0

ELEMENT, INNER

1шт.

3

600-181-7511

WASHER, SEAL

1шт.

4

600-181-4370

NUT, AIR

1шт.

|$6

600-181-4400

ELEMENT ASS'Y, OUTER

1шт.

5

0

ELEMENT, OUTER

1шт.

6

600-181-4420

NUT, WING

1шт.

7

600-181-4440

GASKET, SEAL

1шт.

8

600-181-4430

CLIP

1шт.

9

600-181-5710

PRE-CLEANER ASS'Y

2шт.

10

6127-11-4360

BAND ASS'Y

2шт.

|$13

6691-21-6550

PIN

1шт.

|$14

6691-21-6560

PIN, WITH THREAD

1шт.

11

6643-11-4641

BOLT

2шт.

12

6127-81-4823

GASKET - (K1)

2шт.

13

01580-01008

NUT

16шт.

14

01602-01030

WASHER, SPRING

16шт.

15

01640-01016

WASHER

16шт.

16

6162-13-8411

BRACKET

1шт.

17

6162-13-8430

BRACKET

2шт.

18

6143-11-4290

SPACER

8шт.

19

426-01-11310

BRACKET

3шт.

20

01010-31075

BOLT

2шт.

21

01010-31070

BOLT

6шт.

22

01580-01008

NUT

8шт.

23

01010-31255

BOLT

8шт.

24

6112-22-6960

SPACER

8шт.

25

6162-14-4550

CONNECTOR, AIR

1шт.

26

6162-14-4560

CONNECTOR, AIR

1шт.

27

6162-14-4850

BRACKET

1шт.

28

01011-61210

BOLT

2шт.

29

6162-13-4440

SPACER

2шт.

30

01643-31232

WASHER

2шт.

31

6164-21-7220

BRACKET

1шт.

32

6162-13-8450

BRACKET

1шт.

33

01010-31020

BOLT

2шт.

34

01010-31030

BOLT

4шт.

35

01643-31032

WASHER

4шт.

36

01010-31230

BOLT

2шт.

37

01643-31232

WASHER

2шт.

38

07042-00108

PLUG

2шт.

39

6162-13-8360

HOSE

2шт.

40

07289-00105

CLAMP

8шт.

Выбрано товаров: 45