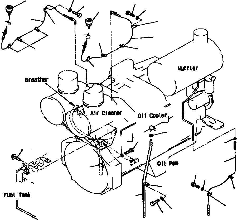
Запчасти Komatsu WA700-1L КОМПОНЕНТЫ ДВИГАТЕЛЯ КОМПОНЕНТЫ ДВИГАТЕЛЯ & ЭЛЕКТРИКА

Схема запчастей Komatsu WA700-1L - КОМПОНЕНТЫ ДВИГАТЕЛЯ КОМПОНЕНТЫ ДВИГАТЕЛЯ & ЭЛЕКТРИКА
14
9
13
13
14
9
11
12
12
10
12
12
12
12
20
17
18
2
1
15
4
5
6
3
19
3
8
7
16
FIT
1:1
100%

Артикул

Название

Примечание

Количество

1

09483-00312

HOSE

1шт.

2

07281-00197

CLAMP

1шт.

3

08036-01814

CLIP

2шт.

4

01010-81020

BOLT

2шт.

5

01643-31032

WASHER

2шт.

6

08036-02514

CLIP

1шт.

7

01010-81020

BOLT

1шт.

8

01643-31032

WASHER

1шт.

9

08670-02001

INDICATOR

2шт.

10

08671-50170

HOSE

1шт.

11

08671-50180

HOSE

1шт.

12

08036-01414

CLIP

8шт.

13

01010-81016

BOLT

8шт.

14

01643-31032

WASHER

8шт.

15

08036-03014

CLIP

2шт.

16

01010-81016

BOLT

2шт.

17

01643-31032

WASHER

2шт.

18

01435-01030

BOLT

2шт.

19

09483-00514

HOSE

1шт.

20

07281-00259

CLAMP

1шт.

Выбрано товаров: 20