Запчасти Komatsu WA700-1L ТОРКФЛОУ ЭЛЕМЕНТЫ КРЕПЛЕНИЯ ГИДРОТРАНСФОРМАТОР И ТРАНСМИССИЯ

Схема запчастей Komatsu WA700-1L - ТОРКФЛОУ ЭЛЕМЕНТЫ КРЕПЛЕНИЯ ГИДРОТРАНСФОРМАТОР И ТРАНСМИССИЯ
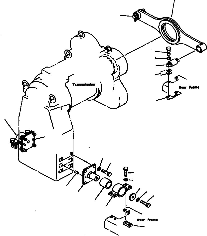
13
14
17
18
15
6
1
3
2
11
12
7
4
9
1
8
5
6
14
16
10
FIT
1:1
100%

Артикул

Название

Примечание

Количество

1

428-14-11120

PIN

2шт.

2

01010-62060

BOLT

8шт.

3

01643-32060

WASHER

8шт.

4

04020-01228

PIN, DOWEL

4шт.

5

569-14-41130

CUSHION

2шт.

6

428-14-11130

BRACKET

2шт.

7

15R-70-14180

PLATE

2шт.

8

01010-62040

BOLT

2шт.

9

01643-32060

WASHER

2шт.

10

428-14-11150

SEAT

4шт.

11

01010-62075

BOLT

8шт.

12

01643-32060

WASHER

8шт.

13

428-14-11110

TRUNNION

1шт.

14

566-14-51152

CUSHION

2шт.

15

426-14-11130

SHIM, 0.5MM

16шт.

16

428-14-11140

PLATE

2шт.

17

01010-61485

BOLT

4шт.

18

01643-31445

WASHER

4шт.

Выбрано товаров: 18