Запчасти Komatsu WA700-3 ГИДРОЛИНИЯ (ВСАСЫВ. ЛИНИЯ) (С VHMS)(№-7) ГИДРАВЛИКА

Схема запчастей Komatsu WA700-3 - ГИДРОЛИНИЯ (ВСАСЫВ. ЛИНИЯ) (С VHMS)(№-7) ГИДРАВЛИКА
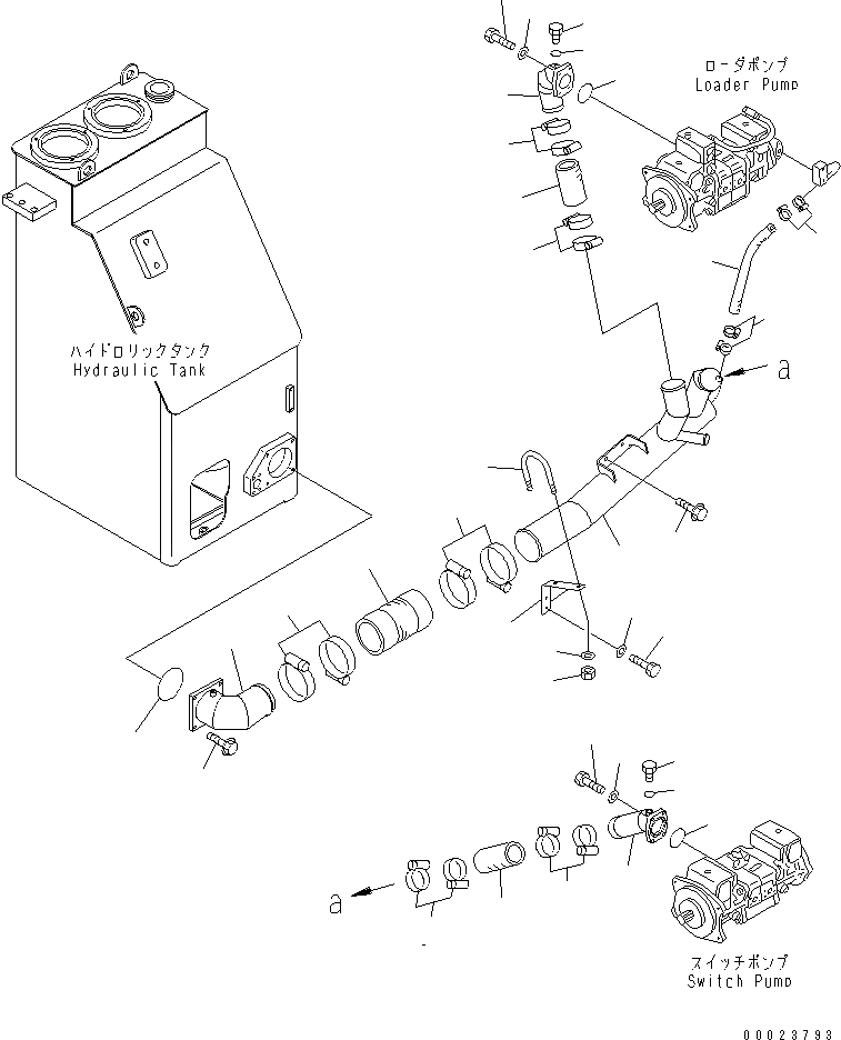
1
2
3
4
5
5
6
7
8
8
9
9
9
9
10
11
12
13
14
15
16
17
18
18
19
19
20
20
21
21
22
22
23
24
24
FIT
1:1
100%

Артикул

Название

Примечание

Количество

1

428-62-21210

TUBE

SN: 51001-UP

1шт.

2

01435-01235

BOLT

SN: 51001-UP

4шт.

3

07000-12140

O-RING

SN: 51001-UP

1шт.

4

428-62-13811

HOSE

SN: 51001-UP

1шт.

5

07289-00160

CLAMP

SN: 51001-UP

4шт.

6

428-62-13822

TUBE

SN: 51001-UP

1шт.

7

01435-01225

BOLT

SN: 51001-UP

2шт.

8

07260-08728

HOSE

SN: 51001-UP

2шт.

9

07289-00105

CLAMP

SN: 51001-UP

8шт.

10

428-62-14111

BRACKET

SN: 51001-UP

1шт.

11

01643-31232

WASHER

SN: 51001-UP

2шт.

12

01010-81230

BOLT

SN: 51001-UP

2шт.

13

428-62-14640

CLIP

SN: 51001-UP

1шт.

14

01597-01211

NUT

SN: 51001-UP

2шт.

15

01643-31232

WASHER

SN: 51001-UP

2шт.

16

428-62-13851

TUBE

SN: 51001-UP

1шт.

17

428-62-13870

TUBE

SN: 51001-UP

1шт.

18

07000-12080

O-RING

SN: 51001-UP

2шт.

19

01643-51232

WASHER

SN: 51001-UP

8шт.

20

07372-21240

BOLT

SN: 51001-UP

8шт.

21

07040-11812

PLUG

SN: 51001-UP

2шт.

22

07002-11823

O-RING

SN: 51001-UP

2шт.

23

07260-02656

HOSE

SN: 51001-UP

1шт.

24

07281-00489

CLAMP

SN: 51001-UP

4шт.

Выбрано товаров: 0