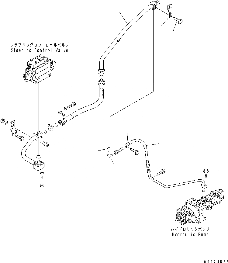
Запчасти Komatsu WA700-3 ГИДРОЛИНИЯ (КЛАПАН - ГИДР. НАСОС.)(№7-) ГИДРАВЛИКА

Схема запчастей Komatsu WA700-3 - ГИДРОЛИНИЯ (КЛАПАН - ГИДР. НАСОС.)(№7-) ГИДРАВЛИКА
1
2
3
4
5
6
7
FIT
1:1
100%

Артикул

Название

Примечание

Количество

1

428-62-15121

TUBE

SN: 51075-UP

1шт.

2

428-62-15141

PLATE

SN: 51075-UP

1шт.

3

01435-01020

BOLT

SN: 51075-UP

2шт.

4

07102-20506

HOSE

SN: 51075-UP

1шт.

5

07235-10522

ELBOW

SN: 51075-UP

1шт.

6

07002-22434

O-RING

SN: 51075-UP

1шт.

7

08036-02514

CLIP

SN: 51075-UP

1шт.

Выбрано товаров: 0