Качественные детали и логистика
Оригинальные и аналоговые запчасти с доставкой по России, Казахстану и Беларуси
©2022 PartSell ООО "Система" ИНН 2463123282 ОГРН 1212400004838
Центральный офис: г. Красноярск, Академика Киренского, д.87, пом.4
Телефон: 8 (800) 777-65-74 Email: zakaz@partsell.ru
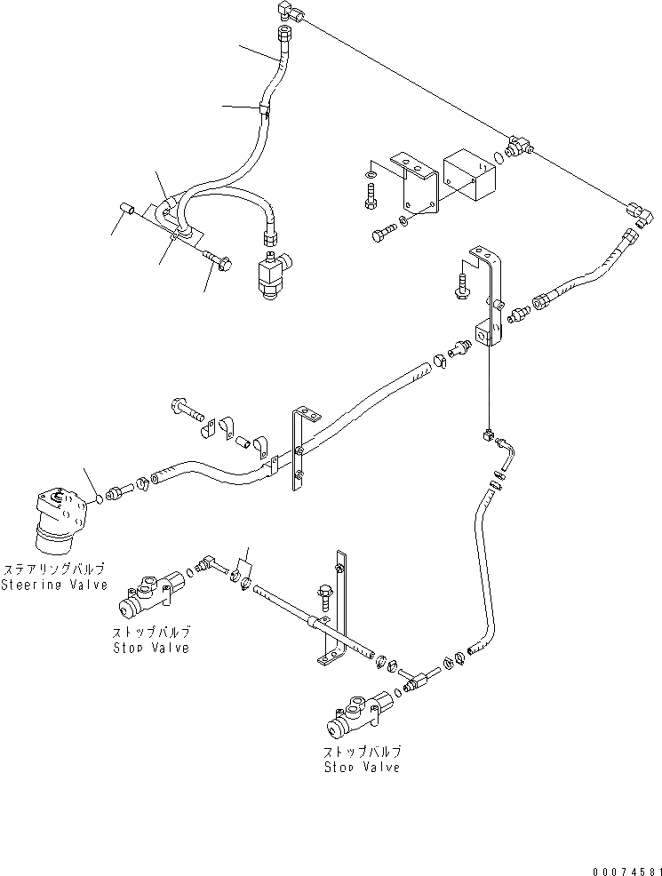
ГИДРОЛИНИЯ РУЛЕВОГО УПРАВЛЕНИЯ (ГЛАВН. ЛИНИЯ¤ /)(№7-)
№
Артикул
Название
Примечание
Количество
1
415-62-11560
O-RING
SN: 51075-UP
1шт.
2
07102-20319
HOSE
3
04434-51810
CLIP
3шт.
4
01435-01045
BOLT
2шт.
5
419-43-17910
SPACER
6
07281-00197
CLAMP
Выбрано товаров: 0