Запчасти Komatsu WA700-3 ГИДРОЛИНИЯ (ЗАПРАШИВАЮЩ. КЛАПАН - УПРАВЛЯЮЩ. КЛАПАН)(№-7) ГИДРАВЛИКА

Схема запчастей Komatsu WA700-3 - ГИДРОЛИНИЯ (ЗАПРАШИВАЮЩ. КЛАПАН - УПРАВЛЯЮЩ. КЛАПАН)(№-7) ГИДРАВЛИКА
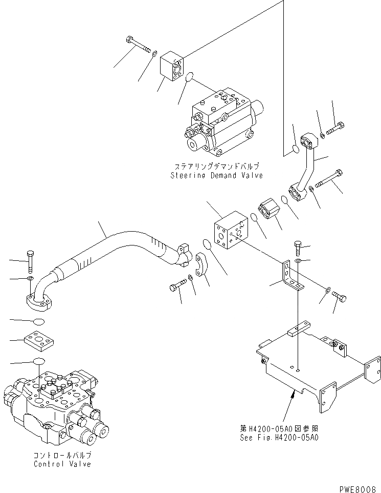
1
2
3
4
5
6
7
8
9
10
11
12
12
13
14
15
15
16
17
18
19
19
20
21
22
23
24
25
25
FIT
1:1
100%

Артикул

Название

Примечание

Количество

1

07000-F3042

O-RING

SN: 50001-UP

1шт.

2

428-S33-1240

BLOCK

SN: 50001-UP

1шт.

3

01011-81410

BOLT

SN: 50001-UP

4шт.

4

20D-14-11510

WASHER

SN: 50001-UP

4шт.

5

07000-F3035

O-RING

SN: 50001-UP

2шт.

6

428-S33-1170

TUBE

SN: 50001-UP

1шт.

7

01010-81060

BOLT

SN: 50001-UP

4шт.

8

01643-51032

WASHER

SN: 50001-UP

4шт.

9

426-S33-1230

FLANGE

SN: 50001-UP

1шт.

10

01011-81030

BOLT

SN: 50001-UP

4шт.

11

01643-51032

WASHER

SN: 50001-UP

4шт.

12

07000-F3035

O-RING

SN: 50001-UP

2шт.

13

428-S33-1250

BLOCK

SN: 50001-UP

1шт.

14

428-62-13591

HOSE

SN: 50001-UP

1шт.

15

07000-F3048

O-RING

SN: 50001-UP

2шт.

16

07371-51470

FLANGE,SPLIT

SN: 50001-UP

4шт.

17

01010-81455

BOLT

SN: 50001-UP

4шт.

18

01010-81480

BOLT

SN: 50001-UP

4шт.

19

01643-31445

WASHER

SN: 50001-UP

8шт.

20

428-62-13930

SPACER

SN: 50001-UP

1шт.

21

07000-F3048

O-RING

SN: 50001-UP

1шт.

22

428-62-13710

PLATE

SN: 50001-UP

1шт.

23

01010-81230

BOLT

SN: 50001-UP

2шт.

24

01010-81235

BOLT

SN: 50001-UP

2шт.

25

01643-31232

WASHER

SN: 50001-UP

4шт.

Выбрано товаров: 25