Запчасти Komatsu WA700-3 ГИДРОЛИНИЯ РУЛЕВОГО УПРАВЛЕНИЯ (ЦИЛИНДР РУЛЕВ. УПР-Я ТРУБЫ¤ /)(№7-) ГИДРАВЛИКА

Схема запчастей Komatsu WA700-3 - ГИДРОЛИНИЯ РУЛЕВОГО УПРАВЛЕНИЯ (ЦИЛИНДР РУЛЕВ. УПР-Я ТРУБЫ¤ /)(№7-) ГИДРАВЛИКА
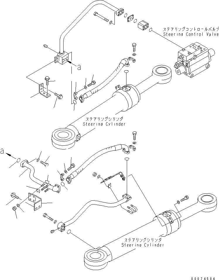
1
2
3
4
5
6
7
8
9
10
11
12
13
14
15
16
17
18
19
20
21
FIT
1:1
100%

Артикул

Название

Примечание

Количество

1

428-62-11331

TUBE

SN: 51075-UP

1шт.

2

07372-31040

BOLT

SN: 51075-UP

4шт.

3

01643-51032

WASHER

SN: 51075-UP

4шт.

4

07000-F3035

O-RING

SN: 51075-UP

1шт.

5

428-62-11340

PLATE

SN: 51075-UP

1шт.

6

01435-01020

BOLT

SN: 51075-UP

2шт.

7

07283-33450

CLIP

SN: 51075-UP

2шт.

8

07283-53444

SEAT

SN: 51075-UP

2шт.

9

01643-31032

WASHER

SN: 51075-UP

4шт.

10

01597-01009

NUT

SN: 51075-UP

4шт.

11

427-62-12350

PLATE

SN: 51075-UP

1шт.

12

01435-01020

BOLT

SN: 51075-UP

2шт.

13

01435-01035

BOLT

SN: 51075-UP

2шт.

14

07000-F3032

O-RING

SN: 51075-UP

1шт.

15

07371-31049

FLANGE,SPLIT

SN: 51075-UP

2шт.

16

07372-21035

BOLT

SN: 51075-UP

4шт.

17

01643-51032

WASHER

SN: 51075-UP

4шт.

18

07000-F3032

O-RING

SN: 51075-UP

1шт.

19

07371-31049

FLANGE,SPLIT

SN: 51075-UP

2шт.

20

07372-21035

BOLT

SN: 51075-UP

4шт.

21

01643-51032

WASHER

SN: 51075-UP

4шт.

Выбрано товаров: 0