Запчасти Komatsu WA700-3 ТОРМОЗНАЯ ГИДРОЛИНИЯ (ЛИНИЯ НАСОСА)(№7-) КАБИНА ОПЕРАТОРА И СИСТЕМА УПРАВЛЕНИЯ

Схема запчастей Komatsu WA700-3 - ТОРМОЗНАЯ ГИДРОЛИНИЯ (ЛИНИЯ НАСОСА)(№7-) КАБИНА ОПЕРАТОРА И СИСТЕМА УПРАВЛЕНИЯ
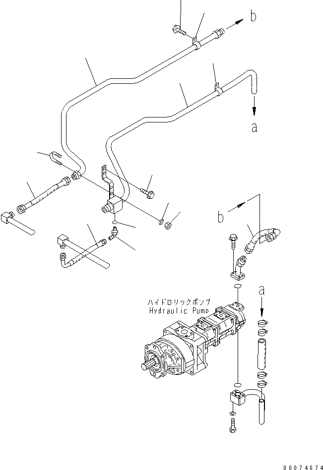
1
2
3
4
5
6
6
7
8
9
10
11
12
13
FIT
1:1
100%

Артикул

Название

Примечание

Количество

1

427-43-27230

HOSE

SN: 51075-UP

1шт.

2

07235-10628

ELBOW

SN: 51075-UP

1шт.

3

07002-22434

O-RING

SN: 51075-UP

1шт.

4

428-43-27510

TUBE

SN: 51075-UP

1шт.

5

01435-01020

BOLT

SN: 51075-UP

2шт.

6

04434-52712

CLIP

SN: 51075-UP

1шт.

7

01435-01016

BOLT

SN: 51075-UP

1шт.

8

427-43-27230

HOSE,CHARGE

SN: 51075-UP

1шт.

9

428-43-27520

TUBE

SN: 51075-UP

1шт.

10

07283-32738

CLIP

SN: 51075-UP

1шт.

11

01597-01009

NUT

SN: 51075-UP

2шт.

12

01643-31032

WASHER

SN: 51075-UP

2шт.

13

07108-20603

HOSE

SN: 51075-UP

1шт.

Выбрано товаров: 13