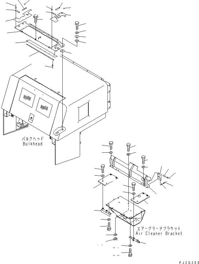
Запчасти Komatsu WA700-3 ОТСЕК ДВИГАТЕЛЯ(/) (ВЕРХН. ЧАСТЬ И НИЖН. СУППОРТ) (СПЕЦ-Я TBG)(№-) ЧАСТИ КОРПУСА

Схема запчастей Komatsu WA700-3 - ОТСЕК ДВИГАТЕЛЯ(/) (ВЕРХН. ЧАСТЬ И НИЖН. СУППОРТ) (СПЕЦ-Я TBG)(№-) ЧАСТИ КОРПУСА
1
2
3
4
5
6
7
8
9
10
10
11
12
13
13
14
14
15
15
15
16
17
18
18
19
20
21
22
22
22
22
23
23
23
23
24
24
25
25
26
26
27
28
29
30
30
FIT
1:1
100%

Артикул

Название

Примечание

Количество

1

428-54-12940

COVER

SN: 50001-@

1шт.

1

424-54-11150

HINGE (WELDED)

SN: 50001-@

2шт.

2

01010-81230

BOLT

SN: 50001-@

4шт.

3

01643-31232

WASHER

SN: 50001-@

4шт.

4

415-46-11370

SPACER

SN: 50001-@

4шт.

5

415-46-11380

CUSHION

SN: 50001-@

4шт.

6

01640-22440

WASHER

SN: 50001-@

4шт.

7

01435-01220

BOLT

SN: 50001-@

3шт.

8

428-54-11950

RUBBER

SN: 50001-@

1шт.

9

428-54-11960

PLATE

SN: 50001-@

1шт.

10

427-54-13890

PLATE

SN: 50001-@

2шт.

11

428-54-12910

RUBBER

SN: 50001-@

1шт.

12

428-54-11990

RUBBER

SN: 50001-@

1шт.

13

427-54-13880

PLATE

SN: 50001-@

2шт.

14

427-54-13890

PLATE

SN: 50001-@

4шт.

15

362-56-41740

RIVET

SN: 50001-@

17шт.

16

428-54-21670

SUPPORT

SN: 50001-51000

1шт.

17

01010-81230

BOLT

SN: 50001-@

3шт.

18

01643-31232

WASHER

SN: 50001-@

6шт.

19

01580-11210

NUT

SN: 50001-@

3шт.

20

428-54-21680

COVER,L.H.

SN: 50001-51000

1шт.

21

428-54-21690

COVER,R.H.

SN: 50001-@

1шт.

22

01010-81225

BOLT

SN: 50025-@

8шт.

23

01643-31232

WASHER

SN: 50025-@

8шт.

24

428-54-11720

BRACKET

SN: 50001-@

2шт.

25

01010-81220

BOLT

SN: 50025-@

4шт.

26

01643-31232

WASHER

SN: 50025-@

4шт.

27

428-54-11880

RUBBER

SN: 50001-@

1шт.

28

428-54-11850

PLATE

SN: 50001-@

1шт.

29

427-54-13880

PLATE

SN: 50001-@

1шт.

30

362-56-41740

RIVET

SN: 50001-@

3шт.

Выбрано товаров: 31