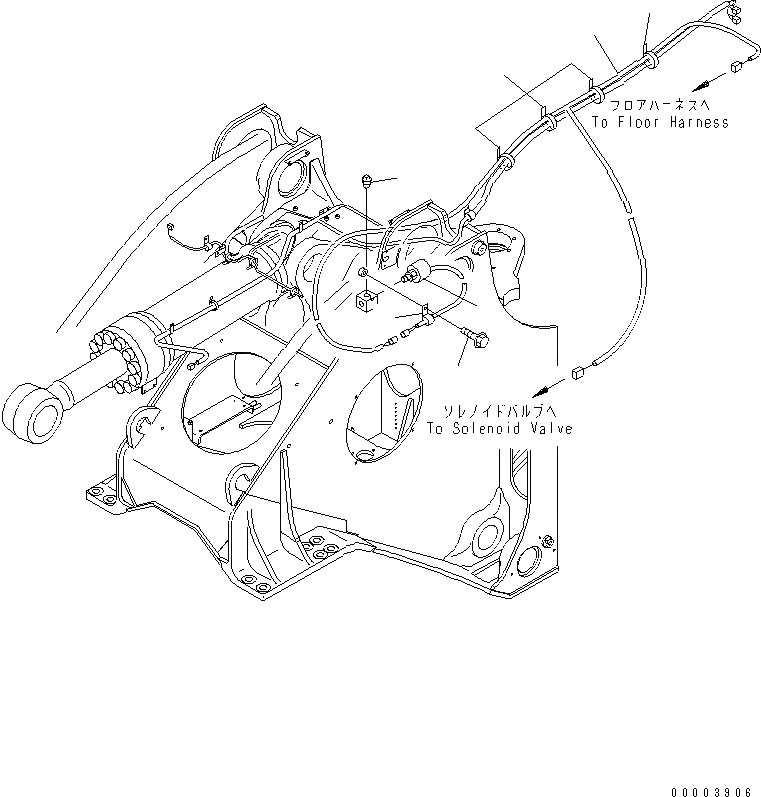
Запчасти Komatsu WA700-3 ПЕРЕДН. Э/ПРОВОДКА (ДОПОЛН. Э/ПРОВОДКА) (ACTIVE РАБОЧ.ING)(№-) ЭЛЕКТРИКА

Схема запчастей Komatsu WA700-3 - ПЕРЕДН. Э/ПРОВОДКА (ДОПОЛН. Э/ПРОВОДКА) (ACTIVE РАБОЧ.ING)(№-) ЭЛЕКТРИКА
1
2
2
3
4
5
8
FIT
1:1
100%

Артикул

Название

Примечание

Количество

1

428-06-22742

WIRING HARNESS

SN: 51004-UP

1шт.

1

0

WIRING HARNESS

SN: 51001-51003

1шт.

2

08034-20519

BAND

SN: 51001-UP

28шт.

3

427-06-22390

SWITCH

SN: 51004-UP

1шт.

3

426-U98-1130

SWITCH

SN: 51001-51003

1шт.

4

08052-41711

CLIP

SN: 51001-UP

1шт.

5

01435-01016

BOLT

SN: 51001-UP

1шт.

8

07042-20108

PLUG

SN: 51001-UP

1шт.

Выбрано товаров: 8