Качественные детали и логистика
Оригинальные и аналоговые запчасти с доставкой по России, Казахстану и Беларуси
©2022 PartSell ООО "Система" ИНН 2463123282 ОГРН 1212400004838
Центральный офис: г. Красноярск, Академика Киренского, д.87, пом.4
Телефон: 8 (800) 777-65-74 Email: zakaz@partsell.ru
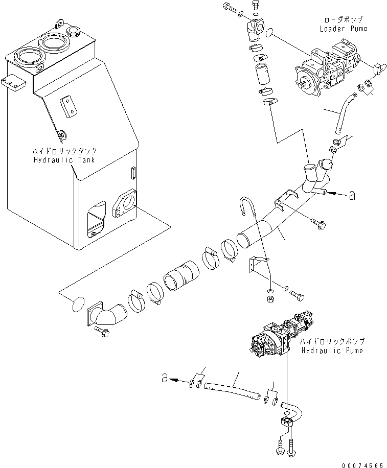
ГИДРОЛИНИЯ (ВСАСЫВ. ЛИНИЯ)(№7-)
№
Артикул
Название
Примечание
Количество
1
428-62-13822
TUBE
SN: 51075-UP
1шт.
2
07260-02656
HOSE
3
07281-00489
CLAMP
4шт.
4
07260-04150
5
07281-00609
Выбрано товаров: 0