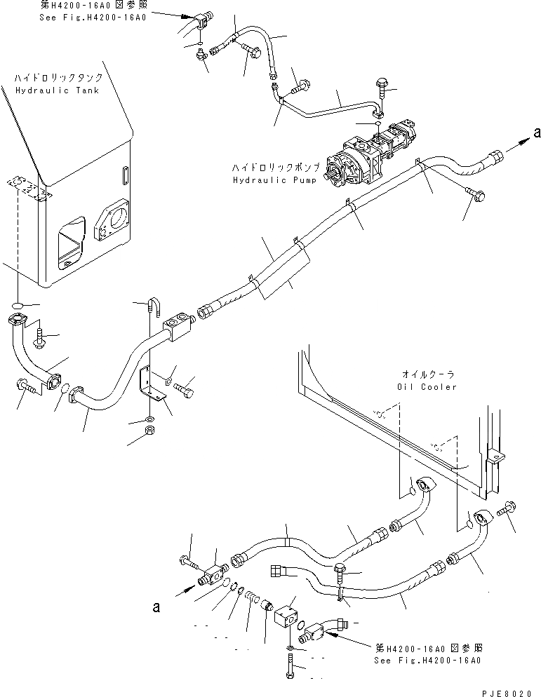
Запчасти Komatsu WA700-3 ГИДРАВЛ ЛИНИЯ (ЛИНИЯ ОХЛАЖДЕНИЯ¤ /)(№-7) ГИДРАВЛИКА

Схема запчастей Komatsu WA700-3 - ГИДРАВЛ ЛИНИЯ (ЛИНИЯ ОХЛАЖДЕНИЯ¤ /)(№-7) ГИДРАВЛИКА
1
2
2
3
4
4
5
6
6
7
8
9
10
11
11
11
12
13
14
15
15
16
16
17
18
19
20
20
21
22
23
24
25
26
27
28
29
30
31
32
33
34
35
36
37
38
39
FIT
1:1
100%

Артикул

Название

Примечание

Количество

1

07102-21411

HOSE

SN: 50001-UP

1шт.

2

419-09-11150

CLIP

SN: 50001-UP

2шт.

3

01435-01220

BOLT

SN: 50001-UP

2шт.

4

428-62-15510

TUBE

SN: 50001-UP

2шт.

5

01435-01270

BOLT

SN: 50001-UP

4шт.

6

07000-F3045

O-RING

SN: 50001-UP

2шт.

7

07102-21411

HOSE

SN: 50001-UP

1шт.

8

428-62-15360

BLOCK

SN: 50001-UP

1шт.

9

01435-01270

BOLT

SN: 50001-UP

4шт.

10

07102-21426

HOSE

SN: 50001-UP

1шт.

11

419-09-11150

CLIP

SN: 50001-UP

4шт.

12

01435-01220

BOLT

SN: 50001-UP

4шт.

13

428-62-15410

TUBE

SN: 50001-UP

1шт.

14

428-62-15420

TUBE

SN: 50001-UP

1шт.

15

07000-F2060

O-RING

SN: 50001-UP

2шт.

16

01435-01235

BOLT

SN: 50001-UP

8шт.

17

428-62-25440

PLATE

SN: 50001-UP

1шт.

18

01010-81025

BOLT

SN: 50001-UP

2шт.

19

07283-36155

CLIP

SN: 50001-UP

1шт.

20

01643-31032

WASHER

SN: 50001-UP

4шт.

21

01597-01009

NUT

SN: 50001-UP

2шт.

22

428-62-15211

TUBE

SN: 50001-UP

1шт.

23

07000-13030

O-RING

SN: 50001-UP

1шт.

24

04434-52110

CLIP

SN: 50001-UP

1шт.

25

01435-01016

BOLT

SN: 50001-UP

1шт.

26

07102-20506

HOSE

SN: 50001-UP

1шт.

27

07235-10522

ELBOW

SN: 50001-UP

1шт.

28

07002-22434

O-RING

SN: 50001-UP

1шт.

29

01435-00835

BOLT

SN: 50001-UP

4шт.

30

08036-02514

CLIP

SN: 50001-UP

1шт.

31

01435-01016

BOLT

SN: 50001-UP

1шт.

|$39

427-62-15420

VALVE ASS'Y

SN: 50001-UP

1шт.

32

427-62-15430

BODY

SN: 50001-UP

1шт.

33

427-62-15440

POPPET

SN: 50001-UP

1шт.

34

427-62-15450

SPRING

SN: 50001-UP

1шт.

35

427-62-15460

SEAT

SN: 50001-UP

1шт.

36

04065-05020

RING

SN: 50001-UP

1шт.

37

01010-81295

BOLT

SN: 50001-UP

2шт.

38

01643-31232

WASHER

SN: 50001-UP

2шт.

39

07000-F2060

O-RING

SN: 50001-UP

1шт.

Выбрано товаров: 40