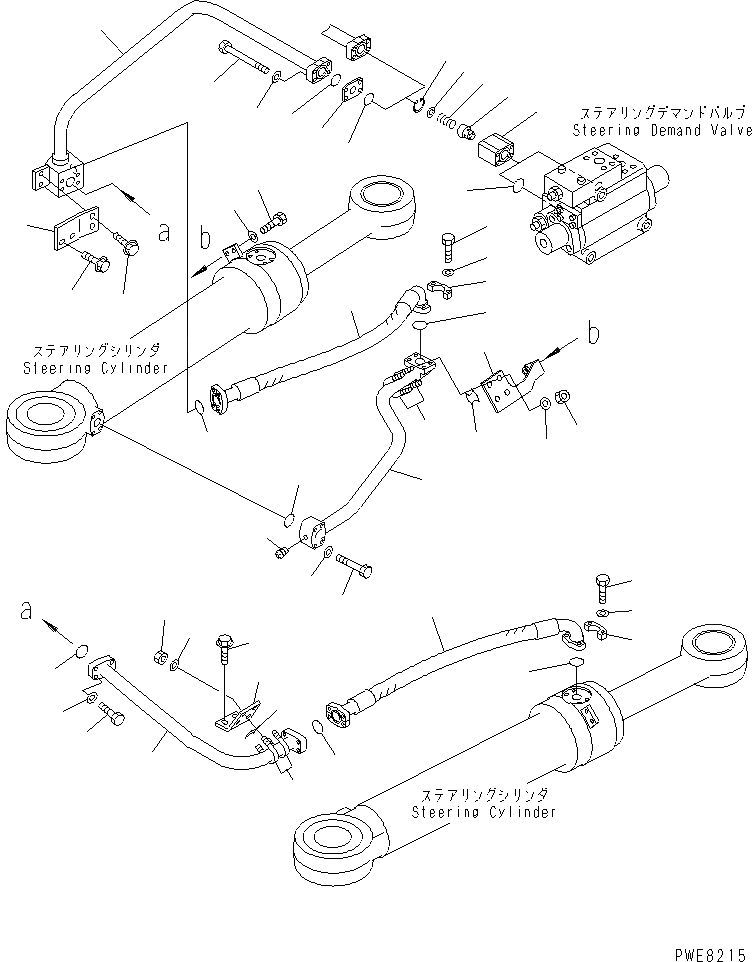
Запчасти Komatsu WA700-3 ГИДРОЛИНИЯ РУЛЕВОГО УПРАВЛЕНИЯ (ЦИЛИНДР РУЛЕВ. УПР-Я ТРУБЫ¤ /)(№-7) ГИДРАВЛИКА

Схема запчастей Komatsu WA700-3 - ГИДРОЛИНИЯ РУЛЕВОГО УПРАВЛЕНИЯ (ЦИЛИНДР РУЛЕВ. УПР-Я ТРУБЫ¤ /)(№-7) ГИДРАВЛИКА
1
2
3
4
5
6
7
7
8
9
10
11
12
13
14
15
16
17
18
19
20
21
22
23
24
25
26
26
27
28
29
30
31
32
33
34
35
36
37
38
39
40
41
42
43
43
44
45
46
FIT
1:1
100%

Артикул

Название

Примечание

Количество

|$6

428-62-21360

VALVE ASS'Y

SN: 50059-UP

2шт.

|$7

428-62-11360

VALVE ASS'Y

SN: 50001-50058

2шт.

1

428-62-21370

VALVE

SN: 50059-UP

1шт.

1

428-62-11370

VALVE

SN: 50001-50058

1шт.

2

207-60-11840

BODY

SN: 50001-UP

1шт.

3

205-60-51310

SPRING

SN: 50001-UP

1шт.

4

04065-02812

RING,SNAP

SN: 50001-UP

1шт.

5

205-60-51320

SEAT

SN: 50001-UP

1шт.

6

425-62-11491

ADAPTER

SN: 50001-UP

1шт.

7

07000-F3035

O-RING

SN: 50001-UP

2шт.

8

428-S33-1111

TUBE

SN: 50001-UP

1шт.

9

07000-F3032

O-RING

SN: 50001-UP

1шт.

10

01011-81010

BOLT

SN: 50001-UP

4шт.

11

01643-51032

WASHER

SN: 50001-UP

4шт.

12

428-62-11230

TUBE

SN: 50001-UP

1шт.

13

07372-31040

BOLT

SN: 50001-UP

4шт.

14

01643-51032

WASHER

SN: 50001-UP

4шт.

15

07000-F3035

O-RING

SN: 50001-UP

1шт.

16

428-62-11240

PLATE

SN: 50001-UP

1шт.

17

01435-01025

BOLT

SN: 50001-UP

2шт.

18

01435-01035

BOLT

SN: 50001-UP

2шт.

19

428-62-11250

PLATE

SN: 50001-UP

1шт.

20

01435-01020

BOLT

SN: 50001-UP

2шт.

21

07283-33450

CLIP

SN: 50001-UP

2шт.

22

07283-53444

SEAT

SN: 50001-UP

2шт.

23

01643-31032

WASHER

SN: 50001-UP

4шт.

24

01597-01009

NUT

SN: 50001-UP

4шт.

25

428-62-12610

HOSE

SN: 50001-UP

1шт.

26

07000-F3032

O-RING

SN: 50001-UP

2шт.

27

07371-31049

FLANGE,SPLIT

SN: 50001-UP

4шт.

28

07372-21035

BOLT

SN: 50001-UP

8шт.

29

01643-51032

WASHER

SN: 50001-UP

8шт.

30

428-62-11280

TUBE

SN: 50001-UP

1шт.

31

07042-20108

PLUG

SN: 50001-UP

1шт.

32

07000-F3035

O-RING

SN: 50001-UP

1шт.

33

01010-81060

BOLT

SN: 50001-UP

4шт.

34

01643-51032

WASHER

SN: 50001-UP

4шт.

35

428-62-11321

PLATE,R.H.

SN: 50001-UP

1шт.

36

01010-81240

BOLT

SN: 50001-UP

2шт.

37

01643-51232

WASHER

SN: 50001-UP

2шт.

38

07283-33450

CLIP

SN: 50001-UP

2шт.

39

07283-53444

SEAT

SN: 50001-UP

2шт.

40

01643-31032

WASHER

SN: 50001-UP

4шт.

41

01597-01009

NUT

SN: 50001-UP

4шт.

42

428-62-12610

HOSE

SN: 50001-UP

1шт.

43

07000-F3032

O-RING

SN: 50001-UP

2шт.

44

07371-31049

FLANGE,SPLIT

SN: 50001-UP

4шт.

45

07372-21035

BOLT

SN: 50001-UP

8шт.

46

01643-51032

WASHER

SN: 50001-UP

8шт.

Выбрано товаров: 0