Качественные детали и логистика
Оригинальные и аналоговые запчасти с доставкой по России, Казахстану и Беларуси
©2022 PartSell ООО "Система" ИНН 2463123282 ОГРН 1212400004838
Центральный офис: г. Красноярск, Академика Киренского, д.87, пом.4
Телефон: 8 (800) 777-65-74 Email: zakaz@partsell.ru
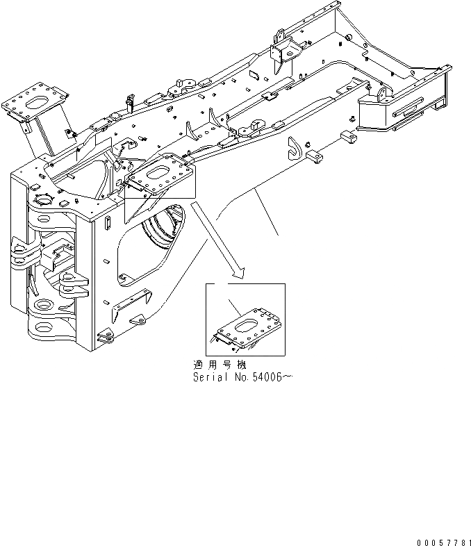
ЗАДН. РАМА(№-7)
№
Артикул
Название
Примечание
Количество
1
428-46-22500
SEAT ASS'Y
SN: 51001-UP
1шт.
428-46-22403
SN: 50051-51000
428-46-22402
SN: 50005-50050
0
SN: 50001-50004
Выбрано товаров: 0