Запчасти Komatsu WA700-3 ОТСЕК ДВИГАТЕЛЯ(ОТСЕК ДВИГАТЕЛЯЭЛЕМЕНТЫ КРЕПЛЕНИЯ)(№7-) ЧАСТИ КОРПУСА

Схема запчастей Komatsu WA700-3 - ОТСЕК ДВИГАТЕЛЯ(ОТСЕК ДВИГАТЕЛЯЭЛЕМЕНТЫ КРЕПЛЕНИЯ)(№7-) ЧАСТИ КОРПУСА
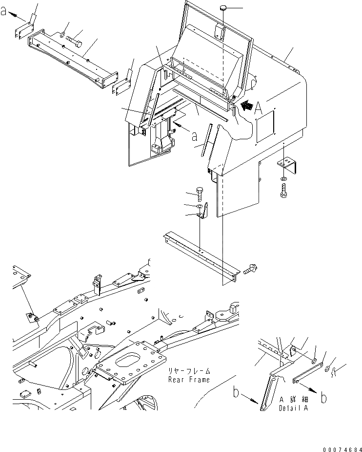
1
1
2
3
3
4
5
6
7
7
8
9
10
11
12
13
13
14
14
15
FIT
1:1
100%

Артикул

Название

Примечание

Количество

1

428-54-21616

BULKHEAD

SN: 51152-UP

1шт.

1

0

BULKHEAD

SN: 51075-51151

1шт.

1

425-54-14330

HINGE (WELDED)

SN: 51075-UP

2шт.

1

426-54-11961

LOCK (WELDED)

SN: 51075-UP

1шт.

2

428-54-21732

BRACKET,FRONT

SN: 51075-UP

1шт.

3

428-54-21780

SHIM, 1.0MM

SN: 51075-UP

6шт.

4

01010-81240

BOLT

SN: 51075-UP

8шт.

5

01643-31232

WASHER

SN: 51075-UP

8шт.

6

428-54-21420

BAR

SN: 51075-UP

1шт.

7

01640-20816

WASHER

SN: 51075-UP

2шт.

8

04052-10833

PIN,SNAP

SN: 51075-UP

1шт.

9

428-54-11620

SUPPORT

SN: 51075-UP

1шт.

10

01010-81235

BOLT

SN: 51075-UP

2шт.

11

01643-31232

WASHER

SN: 51075-UP

2шт.

12

09415-02512

CAP

SN: 51075-UP

2шт.

13

427-54-11650

SEAL,DOOR

SN: 51075-UP

2шт.

14

428-54-11630

SEAL,DOOR

SN: 51075-UP

2шт.

15

428-54-11640

SEAL,DOOR

SN: 51075-UP

1шт.

Выбрано товаров: 18