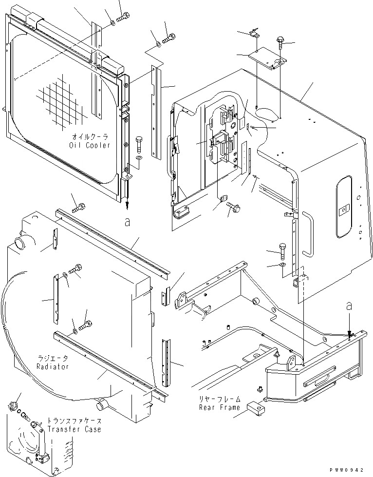
Запчасти Komatsu WA700-3 КАПОТ (ЗАЩИТА РАДИАТОРА) (С ANTI АНТИВАНДАЛЬН.)(№-7) ЧАСТИ КОРПУСА

Схема запчастей Komatsu WA700-3 - КАПОТ (ЗАЩИТА РАДИАТОРА) (С ANTI АНТИВАНДАЛЬН.)(№-7) ЧАСТИ КОРПУСА
1
2
3
4
5
6
7
8
9
10
10
11
12
12
13
14
15
16
17
18
19
19
20
21
22
23
24
24
25
25
26
26
27
FIT
1:1
100%

Артикул

Название

Примечание

Количество

1

428-54-21390

GUARD

SN: 50001-UP

1шт.

1

421-54-11364

LOCK ASS'Y (WELDED)

SN: 50001-UP

2шт.

1

421-54-16G60

HINGE (WELDED)

SN: 50001-UP

4шт.

1

428-979-1130

BAR (WELDED)

SN: 50001-UP

1шт.

1

01580-01210

NUT (WELDED)

SN: 50001-UP

2шт.

2

01010-82095

BOLT

SN: 50001-UP

8шт.

3

01643-32060

WASHER

SN: 50001-UP

8шт.

4

425-54-13570

PLATE

SN: 50001-UP

2шт.

5

01435-01220

BOLT

SN: 50001-UP

4шт.

6

428-54-13570

RUBBER

SN: 50001-UP

2шт.

7

428-54-13590

PLATE

SN: 50001-UP

2шт.

8

428-54-13560

RUBBER

SN: 50001-UP

2шт.

9

428-54-13580

PLATE

SN: 50001-UP

2шт.

10

362-56-41740

RIVET

SN: 50001-UP

16шт.

11

425-54-14460

CUSHION

SN: 50001-UP

4шт.

12

428-54-13610

BAFFLE

SN: 50001-UP

2шт.

13

428-54-13620

BAFFLE

SN: 50001-UP

1шт.

14

428-54-13630

BAFFLE

SN: 50001-UP

1шт.

15

428-54-13640

BAFFLE

SN: 50001-UP

1шт.

16

428-54-13650

BAFFLE

SN: 50001-UP

1шт.

17

01010-81220

BOLT

SN: 50001-UP

2шт.

18

01643-31232

WASHER

SN: 50001-UP

2шт.

19

01010-81020

BOLT

SN: 50001-UP

8шт.

20

01643-31032

WASHER

SN: 50001-UP

4шт.

21

428-979-1110

COVER

SN: 50001-UP

1шт.

22

09460-00004

LOCK

SN: 50001-UP

1шт.

23

07092-01000

CAP

SN: 50001-UP

1шт.

24

428-54-11660

BAFFLE

SN: 50001-UP

2шт.

25

01010-81025

BOLT

SN: 50001-UP

8шт.

26

01643-31032

WASHER

SN: 50001-UP

8шт.

27

01435-01220

BOLT

SN: 50001-UP

2шт.

Выбрано товаров: 31