Запчасти Komatsu WA700-3 ГИДРОЛИНИЯ РУЛЕВОГО УПРАВЛЕНИЯ (ЦИЛИНДР РУЛЕВ. УПР-Я ТРУБЫ¤ /) ГИДРАВЛИКА

Схема запчастей Komatsu WA700-3 - ГИДРОЛИНИЯ РУЛЕВОГО УПРАВЛЕНИЯ (ЦИЛИНДР РУЛЕВ. УПР-Я ТРУБЫ¤ /) ГИДРАВЛИКА
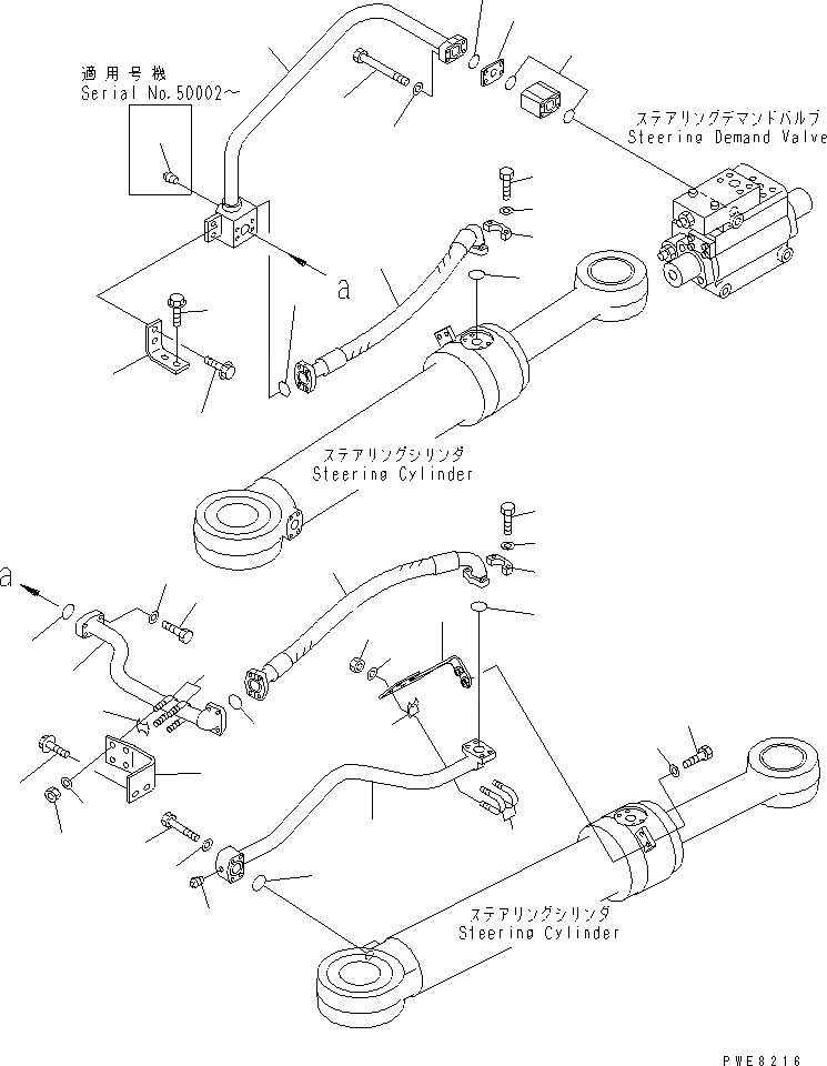
1
2
3
3A
4
5
6
7
8
9
10
11
12
13
14
15
16
17
18
19
20
21
21
22
23
24
25
26
27
28
29
30
31
32
33
34
35
36
37
38
38
39
40
41
FIT
1:1
100%

Артикул

Название

Примечание

Количество

1

425-62-11490

ADAPTER

SN: 50001-UP

1шт.

2

07000-F3035

O-RING

SN: 50001-UP

2шт.

3

428-S33-1122

TUBE

SN: 50002-UP

1шт.

|3

0

TUBE

SN: 50001-50001

1шт.

3A

07042-20108

PLUG

SN: 50002-UP

1шт.

4

07000-F3032

O-RING

SN: 50001-UP

1шт.

5

01011-81010

BOLT

SN: 50001-UP

4шт.

6

01643-51032

WASHER

SN: 50001-UP

4шт.

7

428-62-11331

TUBE

SN: 50001-UP

1шт.

8

07372-31040

BOLT

SN: 50001-UP

4шт.

9

01643-51032

WASHER

SN: 50001-UP

4шт.

10

07000-F3035

O-RING

SN: 50001-UP

1шт.

11

428-62-11340

PLATE

SN: 50001-UP

1шт.

12

01435-01020

BOLT

SN: 50001-UP

2шт.

13

07283-33450

CLIP

SN: 50001-UP

2шт.

14

07283-53444

SEAT

SN: 50001-UP

2шт.

15

01643-31032

WASHER

SN: 50001-UP

4шт.

16

01597-01009

NUT

SN: 50001-UP

4шт.

17

427-62-12350

PLATE

SN: 50001-UP

1шт.

18

01435-01020

BOLT

SN: 50001-UP

2шт.

19

01435-01035

BOLT

SN: 50001-UP

2шт.

20

428-62-12610

HOSE

SN: 50001-UP

1шт.

21

07000-F3032

O-RING

SN: 50001-UP

2шт.

22

07371-31049

FLANGE,SPLIT

SN: 50001-UP

4шт.

23

07372-21035

BOLT

SN: 50001-UP

8шт.

24

01643-51032

WASHER

SN: 50001-UP

8шт.

25

428-62-11270

TUBE

SN: 50001-UP

1шт.

26

07042-20108

PLUG

SN: 50001-UP

1шт.

27

07000-F3035

O-RING

SN: 50001-UP

1шт.

28

01010-81060

BOLT

SN: 50001-UP

4шт.

29

01643-51032

WASHER

SN: 50001-UP

4шт.

30

428-62-11311

PLATE,L.H.

SN: 50001-UP

1шт.

31

01010-81240

BOLT

SN: 50001-UP

2шт.

32

01643-51232

WASHER

SN: 50001-UP

2шт.

33

07283-33450

CLIP

SN: 50001-UP

2шт.

34

07283-53444

SEAT

SN: 50001-UP

2шт.

35

01643-31032

WASHER

SN: 50001-UP

4шт.

36

01597-01009

NUT

SN: 50001-UP

4шт.

37

428-62-12610

HOSE

SN: 50001-UP

1шт.

38

07000-F3032

O-RING

SN: 50001-UP

2шт.

39

07371-31049

FLANGE,SPLIT

SN: 50001-UP

4шт.

40

07372-21035

BOLT

SN: 50001-UP

8шт.

41

01643-51032

WASHER

SN: 50001-UP

8шт.

Выбрано товаров: 43