Запчасти Komatsu WA700-3 ПАЛЕЦ(ДЛЯ ПЕРЕДН. И ЗАДН. РАМА СОЕДИНЕНИЕ) ОСНОВНАЯ РАМА И ЕЕ ЧАСТИ

Схема запчастей Komatsu WA700-3 - ПАЛЕЦ(ДЛЯ ПЕРЕДН. И ЗАДН. РАМА СОЕДИНЕНИЕ) ОСНОВНАЯ РАМА И ЕЕ ЧАСТИ
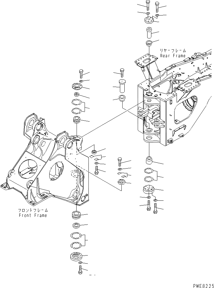
1
2
3
4
5
6
7
8
9
10
11
12
13
14
15
16
16
17
18
19
20
20
21
22
23
24
25
26
27
28
29
30
31
32
33
34
35
FIT
1:1
100%

Артикул

Название

Примечание

Количество

1

428-46-11230

SHAFT

SN: 50001-UP

1шт.

2

427-46-11190

RETAINER

SN: 50001-UP

1шт.

3

01010-62065

BOLT

SN: 50001-UP

4шт.

4

01643-32060

WASHER

SN: 50001-UP

4шт.

5

01010-62075

BOLT

SN: 50001-UP

6шт.

6

01643-32060

WASHER

SN: 50001-UP

6шт.

7

427-46-11440

BUSHING

SN: 50001-UP

1шт.

8

428-46-11210

RETAINER

SN: 50001-UP

1шт.

9

428-46-11240

SHIM¤ 0.1MM

SN: 50001-UP

12шт.

|9

428-46-11250

SHIM¤ 0.5MM

SN: 50001-UP

12шт.

10

01010-62070

BOLT

SN: 50001-UP

6шт.

11

01643-32060

WASHER

SN: 50001-UP

6шт.

12

428-46-11220

BEARING

SN: 50001-UP

1шт.

13

427-46-11150

PLATE

SN: 50001-UP

2шт.

14

01010-61020

BOLT

SN: 50001-UP

4шт.

15

01643-31032

WASHER

SN: 50001-UP

4шт.

16

427-46-11140

SEAL,DUST

SN: 50001-UP

2шт.

17

428-46-11331

SHAFT

SN: 50001-UP

1шт.

18

428-46-11350

BUSHING

SN: 50001-UP

1шт.

19

428-46-11360

BUSHING

SN: 50001-UP

1шт.

20

427-09-11120

SEAL,DUST

SN: 50001-UP

2шт.

21

426-46-11530

PLATE

SN: 50001-UP

2шт.

22

01010-80616

BOLT

SN: 50001-UP

4шт.

23

01643-30623

WASHER

SN: 50001-UP

4шт.

24

428-46-11310

RETAINER

SN: 50001-UP

1шт.

25

428-46-11390

SHIM¤ 0.1MM

SN: 50001-UP

16шт.

|25

428-46-11410

SHIM¤ 0.5MM

SN: 50001-UP

16шт.

26

01010-62075

BOLT

SN: 50001-UP

10шт.

27

01643-32060

WASHER

SN: 50001-UP

10шт.

28

428-46-11340

CAP

SN: 50001-UP

1шт.

29

01010-62065

BOLT

SN: 50001-UP

6шт.

30

01643-32060

WASHER

SN: 50001-UP

6шт.

31

01011-62455

BOLT

SN: 50001-UP

4шт.

32

01643-32460

WASHER

SN: 50001-UP

4шт.

33

428-46-11370

SHIM¤ 0.1MM

SN: 50001-UP

18шт.

|33

428-46-11380

SHIM¤ 0.5MM

SN: 50001-UP

18шт.

34

428-46-11320

BEARING

SN: 50001-UP

1шт.

35

01010-62450

BOLT

SN: 50001-UP

1шт.

Выбрано товаров: 38