Запчасти Komatsu WA700-3 БЛОКИР. BAR И COVER ОСНОВНАЯ РАМА И ЕЕ ЧАСТИ

Схема запчастей Komatsu WA700-3 - БЛОКИР. BAR И COVER ОСНОВНАЯ РАМА И ЕЕ ЧАСТИ
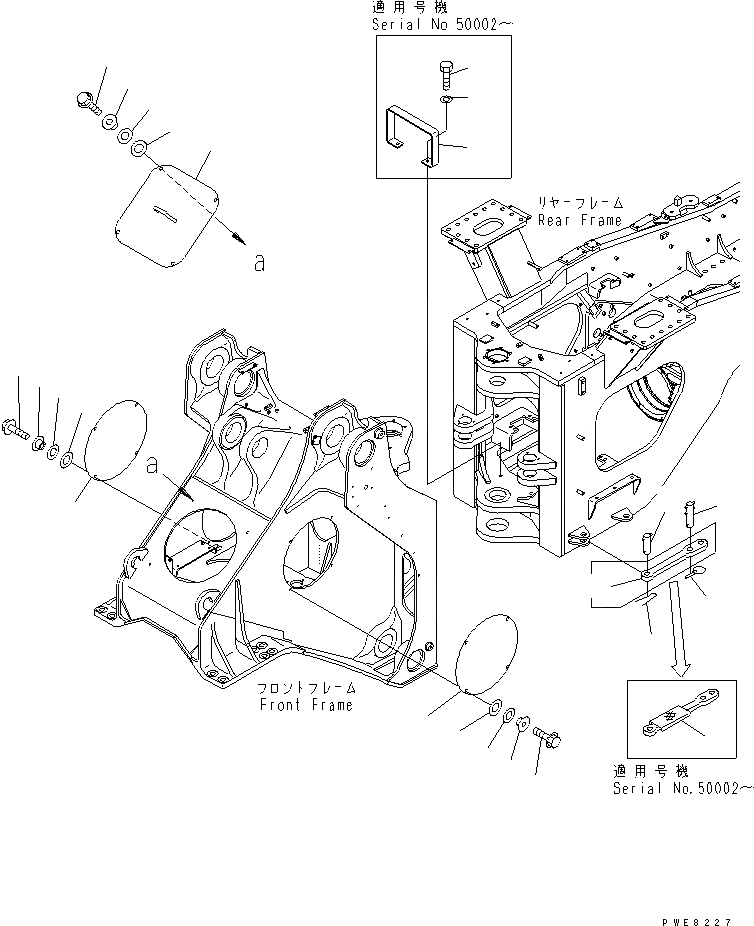
1
1
2
3
4
5
6
6
7
7
8
8
9
9
10
10
11
12
13
14
15
16
17
18
FIT
1:1
100%

Артикул

Название

Примечание

Количество

1

428-46-24120

BAR,LOCK

SN: 50002-UP

1шт.

|1

0

BAR,LOCK

SN: 50001-50001

1шт.

2

426-46-12311

PIN

SN: 50001-UP

1шт.

|2

04025-01080

PIN,SPRING

SN: 50001-UP

2шт.

3

04050-10070

PIN,COTTER

SN: 50001-UP

1шт.

4

426-46-12330

PIN

SN: 50001-UP

1шт.

5

426-46-12280

PIN,LINCH

SN: 50001-UP

1шт.

6

428-46-14110

PLATE

SN: 50001-UP

2шт.

7

01435-01250

BOLT

SN: 50001-UP

8шт.

8

415-46-11370

SPACER

SN: 50001-UP

8шт.

9

415-46-11380

CUSHION

SN: 50001-UP

8шт.

10

01640-22440

WASHER

SN: 50001-UP

8шт.

11

427-46-24131

PLATE

SN: 50002-UP

1шт.

|11

427-46-11521

COVER

SN: 50001-50001

1шт.

12

427-54-11860

SPACER

SN: 50001-UP

4шт.

13

415-46-11380

CUSHION

SN: 50001-UP

4шт.

14

01640-22440

WASHER

SN: 50001-UP

4шт.

15

01435-01250

BOLT

SN: 50001-UP

4шт.

16

428-46-24110

GUARD

SN: 50002-UP

1шт.

17

01010-82045

BOLT

SN: 50002-UP

2шт.

18

01643-32060

WASHER

SN: 50002-UP

2шт.

Выбрано товаров: 21