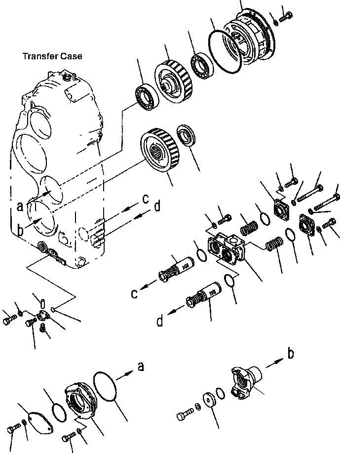
Запчасти Komatsu WA700-3L FIG. F-A ПЕРЕДАЧА - МАГНИТ ASSEMBLY СИЛОВАЯ ПЕРЕДАЧА И КОНЕЧНАЯ ПЕРЕДАЧА

Схема запчастей Komatsu WA700-3L - FIG. F-A ПЕРЕДАЧА - МАГНИТ ASSEMBLY СИЛОВАЯ ПЕРЕДАЧА И КОНЕЧНАЯ ПЕРЕДАЧА
2
4
5
3
6
1
6
30
32
31
20
32
31
16
15
19
30
22
32
32
19
30
21
32
20
19
22
29
18
25
24
19
23
21
26
28
27
12
14
33
13
17
7
11
9
10
8
FIT
1:1
100%

Артикул

Название

Примечание

Количество

|$0

TRANSMISSION ASSEMBLY (SEE FIG. F4320-01A0)

SN: A50001 --UP

-1шт.

1

428-15-13231

GEAR

SN: A50001 --UP

1шт.

2

428-15-13121

CAGE

SN: A50001 --UP

1шт.

3

426-15-19110

O-RING

SN: A50001 --UP

1шт.

4

01010-81235

BOLT

SN: A50001 --UP

6шт.

5

01643-31232

WASHER

SN: A50001 --UP

6шт.

6

428-15-13340

BEARING

SN: A50001 --UP

2шт.

7

428-15-13151

CAGE

SN: A50001 --UP

1шт.

8

01010-81235

BOLT

SN: A50001 --UP

5шт.

9

01643-31232

WASHER

SN: A50001 --UP

5шт.

10

01010-61640

BOLT

SN: A50001 --UP

2шт.

11

01643-31645

WASHER

SN: A50001 --UP

2шт.

12

07000-02130

O-RING

SN: A50001 --UP

1шт.

13

07000-05200

O-RING

SN: A50001 --UP

1шт.

14

428-15-13160

PLATE

SN: A50001 --UP

1шт.

15

428-15-13240

GEAR

SN: A50001 --UP

1шт.

16

428-15-13270

COLLAR

SN: A50001 --UP

1шт.

17

428-15-13280

HOLDER

SN: A50001 --UP

1шт.

18

426-15-13712

FLANGE

SN: A50001 --UP

1шт.

19

07000-02100

O-RING

SN: A50001 --UP

4шт.

20

426-15-13721

COVER

SN: A50001 --UP

2шт.

21

562-15-11570

MAGNET ASSEMBLY

SN: A50001 --UP

2шт.

22

287-15-11560

SPRING (L=114.0)

SN: A50001 --UP

2шт.

23

07000-73028

O-RING

SN: A50001 --UP

1шт.

24

01010-81030

BOLT

SN: A50001 --UP

2шт.

25

01643-31032

WASHER

SN: A50001 --UP

2шт.

|$26

426-60-15150

VALVE ASSEMBLY

SN: A50001 --UP

1шт.

26

NSS

BODY, VALVE

SN: A50001 --UP

1шт.

27

NSS

VALVE

SN: A50001 --UP

1шт.

28

426-60-15160

PLUG

SN: A50001 --UP

1шт.

29

04020-00514

PIN, DOWEL

SN: A50001 --UP

1шт.

30

01010-81230

BOLT

SN: A50001 --UP

8шт.

31

01011-81225

BOLT

SN: A50001 --UP

4шт.

32

01643-31232

WASHER

SN: A50001 --UP

12шт.

33

COUPLING (SEE FIG. F4320-67A0)

SN: A50001 --UP

-1шт.

Выбрано товаров: 35