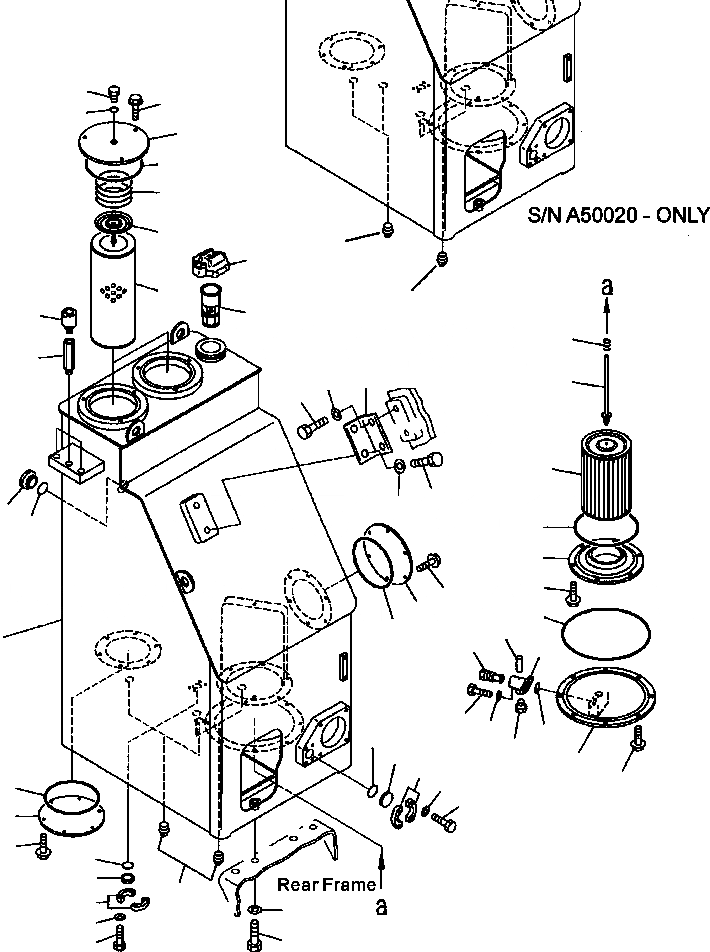
Запчасти Komatsu WA700-3L FIG. H-A ГИДР. БАК. ГИДРАВЛИКА

Схема запчастей Komatsu WA700-3L - FIG. H-A ГИДР. БАК. ГИДРАВЛИКА
31
30
32
28
29
33
34
51
2
27
45
3
6
10
7
49
50
9
48
8
48
49
4
12
5
11
13
26
24
15
20
25
1
18
17
26
22
36
23
21
19
35
14
37
39
16
25
38
24
26
41
40
45
42
47
44
46
43
FIT
1:1
100%

Артикул

Название

Примечание

Количество

1

428-60-25111

TANK, HYDRAULIC

SN: A50001-A50019-UP

1шт.

|$1

428-Z91-A210

TANK, HYDRAULIC

SN: A50020 --UP

1шт.

2

19M-04-11220

CAP

SN: A50001 --UP

1шт.

3

07056-18416

STRAINER

SN: A50001 --UP

1шт.

4

421-60-11622

GAUGE, SIGHT

SN: A50001 --UP

1шт.

5

07002-15234

O-RING

SN: A50001 --UP

1шт.

6

419-60-15231

BREATHER ASSEMBLY

SN: A50001 --UP

3шт.

|$7

419-60-15370

O-RING

SN: A50001 --UP

2шт.

|$8

419-60-15380

O-RING

SN: A50001 --UP

1шт.

|$9

419-60-15390

O-RING

SN: A50001 --UP

1шт.

|$10

285-62-17320

ELEMENT

SN: A50001 --UP

1шт.

|$11

424-60-15220

RING, SNAP

SN: A50001 --UP

1шт.

7

426-60-25130

ADAPTER

SN: A50001 --UP

3шт.

8

427-60-15320

STRAINER

SN: A50001 --UP

1шт.

9

427-60-15171

ROD

SN: A50001 --UP

1шт.

10

12R-60-11230

SPRING

SN: A50001 --UP

1шт.

11

427-60-15261

FLANGE

SN: A50001 --UP

1шт.

12

07000-15240

O-RING

SN: A50001 --UP

1шт.

13

01435-01230

BOLT

SN: A50001 --UP

6шт.

14

427-60-15270

COVER, BOTTOM

SN: A50001 --UP

1шт.

15

07000-15335

O-RING

SN: A50001 --UP

1шт.

16

01435-01230

BOLT

SN: A50001 --UP

8шт.

|$22

6127-21-5601

VALVE ASSEMBLY

SN: A50001 --UP

1шт.

17

NSS

BODY

SN: A50001 --UP

1шт.

18

6127-21-5620

VALVE

SN: A50001 --UP

1шт.

19

6127-21-5630

PLUG

SN: A50001 --UP

1шт.

20

04020-00514

PIN, DOWEL

SN: A50001 --UP

1шт.

21

07000-13035

O-RING

SN: A50001 --UP

1шт.

22

01010-81025

BOLT

SN: A50001 --UP

2шт.

23

01643-31032

WASHER

SN: A50001 --UP

2шт.

24

428-04-11120

COVER

SN: A50001 --UP

2шт.

25

07000-15200

O-RING

SN: A50001 --UP

2шт.

26

01435-01025

BOLT

SN: A50001 --UP

12шт.

27

07063-51383

SPRING

SN: A50001 --UP

2шт.

28

01010-81025

BOLT

SN: A50001 --UP

2шт.

29

01643-31032

WASHER

SN: A50001 --UP

2шт.

30

428-04-11120

COVER

SN: A50001 --UP

2шт.

31

07000-15200

O-RING

SN: A50001 --UP

2шт.

32

01435-01025

BOLT

SN: A50001 --UP

12шт.

33

208-60-61180

ELEMENT

SN: A50001 --UP

2шт.

34

419-60-25410

VALVE ASSEMBLY

SN: A50001 --UP

2шт.

35

07378-11400

HEAD

SN: A50001 --UP

1шт.

36

07000-13048

O-RING

SN: A50001 --UP

1шт.

37

07371-31465

FLANGE, SPLIT

SN: A50001 --UP

2шт.

38

07372-21235

BOLT

SN: A50001 --UP

4шт.

39

01643-51232

WASHER

SN: A50001 --UP

4шт.

40

07378-11200

HEAD

SN: A50001 --UP

1шт.

41

07000-13038

O-RING

SN: A50001 --UP

1шт.

42

07371-31255

FLANGE, SPLIT

SN: A50001 --UP

2шт.

43

07372-21035

BOLT

SN: A50001 --UP

4шт.

44

01643-51032

WASHER

SN: A50001 --UP

4шт.

45

02721-11617

PLUG

SN: A50001-A50019-UP

4шт.

46

01010-62460

BOLT

SN: A50001 --UP

4шт.

47

01643-32460

WASHER

SN: A50001 --UP

4шт.

48

01010-62450

BOLT

SN: A50001 --UP

4шт.

49

01643-32460

WASHER

SN: A50001 --UP

4шт.

50

428-60-25120

BRACKET

SN: A50001 --UP

1шт.

51

HC 4691

PLUG

SN: A50020 --UP

2шт.

|$58

-1шт.

|$59

F1 USED ON S/N A50020- ONLY.

-1шт.

|$61

-1шт.

|$62

F2 FOR S/N A50020- QUANTITY BECOMES 3.

-1шт.

|$63

-1шт.

Выбрано товаров: 63