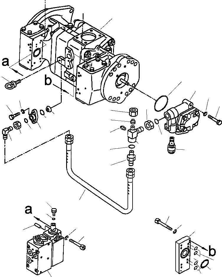
Запчасти Komatsu WA700-3L FIG. H-A ПОГРУЗ. НАСОС ГИДРАВЛИКА

Схема запчастей Komatsu WA700-3L - FIG. H-A ПОГРУЗ. НАСОС ГИДРАВЛИКА
1
32
33
11
14
19
18
13
28
31
15
30
17
16
22
25
21
29
20
24
12
27
26
34
23
35
6
7
10
3
8
9
5
4
5
2
FIT
1:1
100%

Артикул

Название

Примечание

Количество

|$0

708-2L-00960

PUMP ASSEMBLY, LOADER

SN: A50018--UP

1шт.

1

708-2L-01960

PUMP SUB ASSEMBLY

SN: A50018--UP

1шт.

2

VALVE ASSEMBLY, SERVO FRONT (SEE FIG. H1600-07A0)

SN: A50018--UP

-1шт.

3

708-45-19981

PLATE

SN: A50018--UP

1шт.

4

07000-33048

O-RING

SN: A50018--UP

1шт.

5

07000-21009

O-RING

SN: A50018--UP

4шт.

6

01010-30830

BOLT

SN: A50018--UP

4шт.

7

01643-30823

WASHER

SN: A50018--UP

4шт.

8

04020-00616

PIN, DOWEL

SN: A50018--UP

2шт.

9

708-25-19130

BOLT

SN: A50018--UP

4шт.

10

01602-00825

WASHER, SPRING

SN: A50018--UP

4шт.

11

PUMP ASSEMBLY (SEE FIG. H1600-05A0)

SN: A50018--UP

-1шт.

12

VALVE, RELIEF (SEE FIG. H1600-05A0)

SN: A50018--UP

-1шт.

13

01010-31260

BOLT

SN: A50018--UP

2шт.

14

01643-31232

WASHER

SN: A50018--UP

2шт.

15

702-68-15240

FILTER

SN: A50018--UP

1шт.

16

708-25-19120

FLANGE

SN: A50018--UP

1шт.

17

07000-32021

O-RING

SN: A50018--UP

1шт.

18

01010-30820

BOLT

SN: A50018--UP

2шт.

19

01602-00825

WASHER, SPRING

SN: A50018--UP

2шт.

20

07232-30422

ELBOW

SN: A50018--UP

1шт.

21

07239-12009

NUT

SN: A50018--UP

1шт.

22

07002-32034

O-RING

SN: A50018--UP

1шт.

23

07102-20405

HOSE

SN: A50018--UP

1шт.

24

708-25-29120

JOINT

SN: A50018--UP

1шт.

25

07042-20108

PLUG

SN: A50018--UP

1шт.

26

07230-20422

UNION

SN: A50018--UP

1шт.

27

07002-32034

O-RING

SN: A50018--UP

1шт.

28

07239-12410

NUT

SN: A50018--UP

1шт.

29

07002-32434

O-RING

SN: A50018--UP

1шт.

30

07022-00414

PLUG

SN: A50018--UP

1шт.

31

07221-20422

NUT

SN: A50018--UP

1шт.

32

04530-01018

BOLT, EYE

SN: A50018--UP

1шт.

33

708-25-19180

O-RING

SN: A50018--UP

1шт.

34

07040-11409

PLUG

SN: A50018--UP

1шт.

35

07002-31423

O-RING

SN: A50018--UP

1шт.

Выбрано товаров: 0