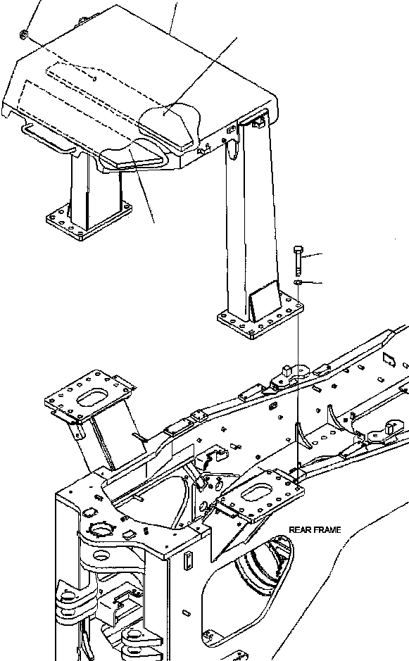
Запчасти Komatsu WA700-3L FIG. K-A СИСТЕМА ROPS КАБИНА ОПЕРАТОРА И СИСТЕМА УПРАВЛЕНИЯ

Схема запчастей Komatsu WA700-3L - FIG. K-A СИСТЕМА ROPS КАБИНА ОПЕРАТОРА И СИСТЕМА УПРАВЛЕНИЯ
4
1
6
5
2
3
FIT
1:1
100%

Артикул

Название

Примечание

Количество

1

428-921-A110

ROPS, CANOPY

SN: A50001--UP

1шт.

2

01011-63015

BOLT

SN: A50001--UP

24шт.

3

01643-33080

WASHER

SN: A50001--UP

24шт.

4

421-921-2410

GROMMET

SN: A50001--UP

1шт.

5

428-921-2340

SHEET

SN: A50001--UP

1шт.

6

428-921-2350

SHEET

SN: A50001--UP

1шт.

Выбрано товаров: 6