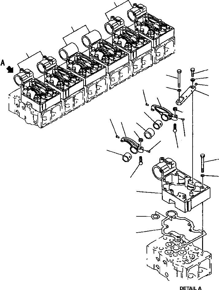
Запчасти Komatsu WA700-3L FIG. A-AA9 РЫЧАГ КОРОМЫСЛА И КОЖУХ ДВИГАТЕЛЬ

Схема запчастей Komatsu WA700-3L - FIG. A-AA9 РЫЧАГ КОРОМЫСЛА И КОЖУХ ДВИГАТЕЛЬ
1
2
1
17
16
18
10
14
19
8
13
9
11
5
3
15
6
5
10
4
12
22
23
7
1
21
20
FIT
1:1
100%

Артикул

Название

Примечание

Количество

1

6162-13-7110

HOUSING, ROCKER ARM (NO. 1,2,5,6)

4шт.

2

6162-13-7210

HOUSING, ROCKER ARM (NO. 3,4)

2шт.

|$2

6162-43-5041

ROCKER ARM ASSEMBLY, INTAKE

1шт.

|$3

6162-43-5400

ROCKER ARM ASSEMBLY

6шт.

3

NSS

ARM

1шт.

4

6162-43-5420

BUSHING

1шт.

5

6162-43-5340

RIVET

2шт.

6

6127-41-5431

NUT

6шт.

7

6127-41-5445

SCREW, ADJUST

6шт.

|$9

6162-43-5051

ROCKER ARM ASSEMBLY, EXHAUST

1шт.

|$10

6162-43-5500

ROCKER ARM ASSEMBLY

6шт.

8

NSS

ARM

1шт.

9

6162-43-5420

BUSHING

1шт.

10

6162-43-5340

RIVET

2шт.

11

6127-41-5431

NUT

6шт.

12

6127-41-5445

SCREW, ADJUST

6шт.

|$16

6162-43-5300

ROCKER ARM SHAFT ASSEMBLY

6шт.

13

NSS

SHAFT

1шт.

14

6162-43-2420

PIN

1шт.

15

6162-43-5320

COLLAR

6шт.

16

01011-81215

BOLT

6шт.

17

01010-81255

BOLT

6шт.

18

6164-41-5390

SPACER

6шт.

19

01643-31232

WASHER

6шт.

20

6162-13-7813

GASKET

6шт.

21

6162-13-7823

PACKING

6шт.

22

01010-81290

BOLT

36шт.

23

01643-31232

WASHER

36шт.

|$28

-1шт.

|$29

F1 - THESE ITEMS ARE FOUND IN THE CYLINDER HEAD GASKET KIT (SEE FIG. A8118-A6A3).

-1шт.

|$30

-1шт.

Выбрано товаров: 31