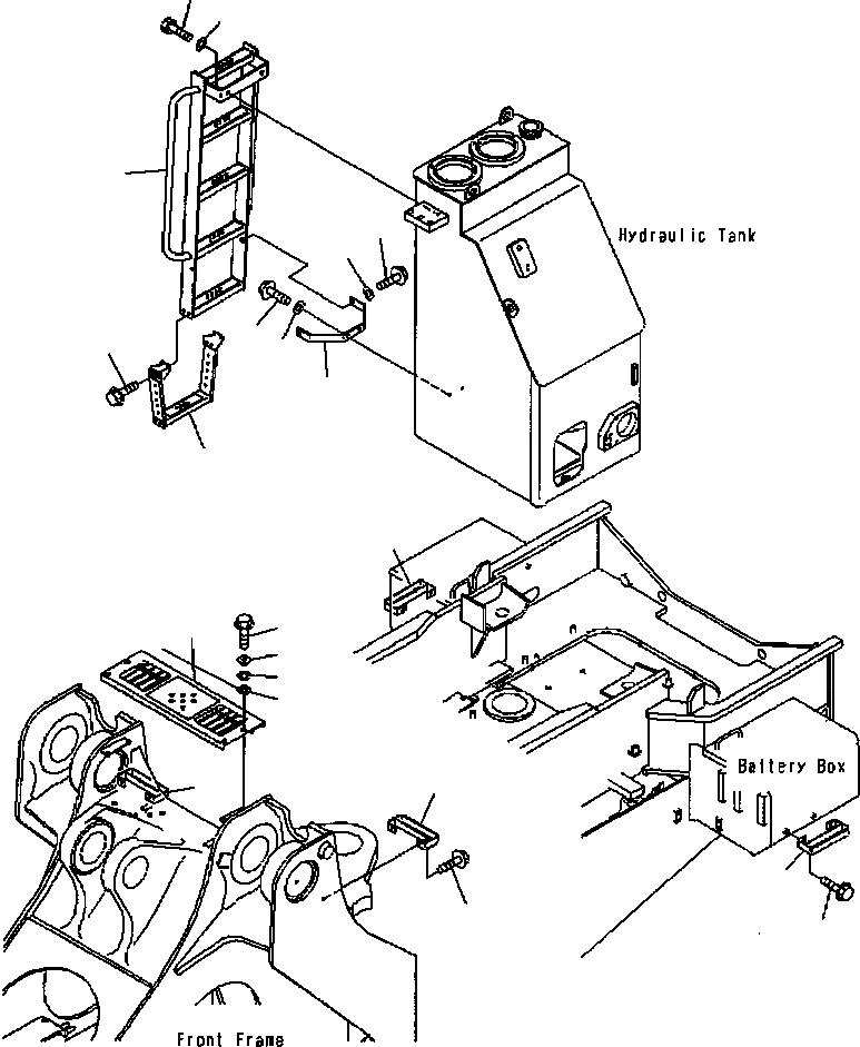
Запчасти Komatsu WA700-3L FIG. M-A КРЫЛО И ЛЕСТНИЦА - КАБИНА , ПРАВ. И ПЕРЕДН. ВЕРХН. ЧАСТИ КОРПУСА

Схема запчастей Komatsu WA700-3L - FIG. M-A КРЫЛО И ЛЕСТНИЦА - КАБИНА , ПРАВ. И ПЕРЕДН. ВЕРХН. ЧАСТИ КОРПУСА
2
3
1
5
7
6
9
7
4
8
16
11
10
12
13
14
15
15
16
17
17
FIT
1:1
100%

Артикул

Название

Примечание

Количество

1

428-54-22120

LADDER

SN: A50001 --UP

1шт.

2

01010-81635

BOLT

SN: A50001 --UP

2шт.

3

01643-31645

WASHER

SN: A50001 --UP

2шт.

4

428-54-13171

SUPPORT, RIGHT HAND

SN: A50001 --UP

1шт.

5

01435-01235

BOLT

SN: A50001 --UP

2шт.

6

01435-01230

BOLT

SN: A50001 --UP

2шт.

7

01643-31232

WASHER

SN: A50001 --UP

4шт.

8

421-54-24410

STEP

SN: A50001 --UP

1шт.

9

01435-01230

BOLT

SN: A50001 --UP

4шт.

10

428-54-22130

STEP

SN: A50001 --UP

1шт.

11

01435-01235

BOLT

SN: A50001 --UP

4шт.

12

415-46-11370

SPACER

SN: A50001 --UP

4шт.

13

415-46-11380

CUSHION

SN: A50001 --UP

4шт.

14

01640-22232

WASHER

SN: A50001 --UP

4шт.

15

428-54-21410

STEP

SN: A50018--UP

2шт.

|$16

OR

-1шт.

|$18

427-54-12661

STEP

SN: A50001-A50017-UP

2шт.

16

428-54-21410

STEP

SN: A50001 --UP

2шт.

17

01435-01225

BOLT

SN: A50001 --UP

8шт.

Выбрано товаров: 19