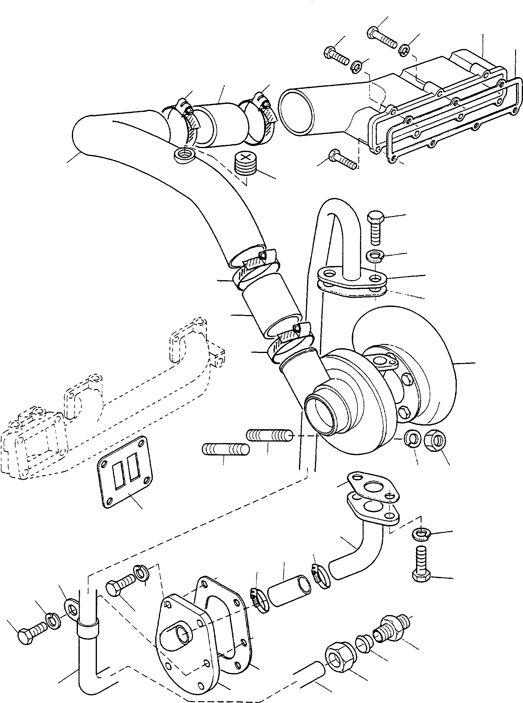
Запчасти Komatsu WA75-1 INTAKE КОЛЛЕКТОР, ТУРБОНАГНЕТАТЕЛЬ ДВИГАТЕЛЬ, КРЕПЛЕНИЕ ДВИГАТЕЛЯ

Схема запчастей Komatsu WA75-1 - INTAKE КОЛЛЕКТОР, ТУРБОНАГНЕТАТЕЛЬ ДВИГАТЕЛЬ, КРЕПЛЕНИЕ ДВИГАТЕЛЯ
5
1
3
4
2
3
8
7
7
9
6
10
19
20
22
11
21
12
11
13
16
15
17
18
29
14
30
20
31
32
31
23
19
24
35
25
36
28
27
33
26
22
34
22
FIT
1:1
100%

Артикул

Название

Примечание

Количество

1

4917257M1

MANIFOLD

1шт.

2

4917258M1

GASKET

1шт.

3

4906625M1

SPRING WASHER

7шт.

4

4909066M1

SCREW

2шт.

5

4911371M1

SCREW

4шт.

6

4917259M1

SCREW

1шт.

7

4917298M1

CLIP

2шт.

8

4917297M1

HOSE

1шт.

9

4917295M1

TUBE

1шт.

10

4917296M1

PLUG

1шт.

11

4909440M1

CLIP

2шт.

12

4909548M1

HOSE

1шт.

13

4917299M91

TURBOCHARGER

1шт.

|$37

TURBOCHARGER

-3шт.

14

4908886M1

GASKET

1шт.

15

4917306M1

STUD BOLT

1шт.

16

4909076M1

STUD BOLT

3шт.

17

4906756M1

PLAIN WASHER

4шт.

18

4906831M1

NUT

4шт.

19

4917301M1

SCREW

4шт.

20

4917302M1

SPRING WASHER

4шт.

21

4909443M1

GASKET

1шт.

22

4917300M91

PIPE

1шт.

23

4917303M1

CLIP

1шт.

24

4906623M1

PLAIN WASHER

1шт.

25

4917304M1

SCREW

1шт.

26

4909559M1

NUT

1шт.

27

4905400M1

OLIVE

1шт.

28

4917305M1

UNION

1шт.

29

4917307M1

GASKET

1шт.

30

4917308M91

PIPE

1шт.

31

4909483M1

CLIP

2шт.

32

4909482M1

HOSE

1шт.

33

4910930M1

GASKET

1шт.

34

4917311M91

COVER

1шт.

35

4909384M1

DISC

6шт.

36

4908656M1

SCREW

5шт.

Выбрано товаров: 0