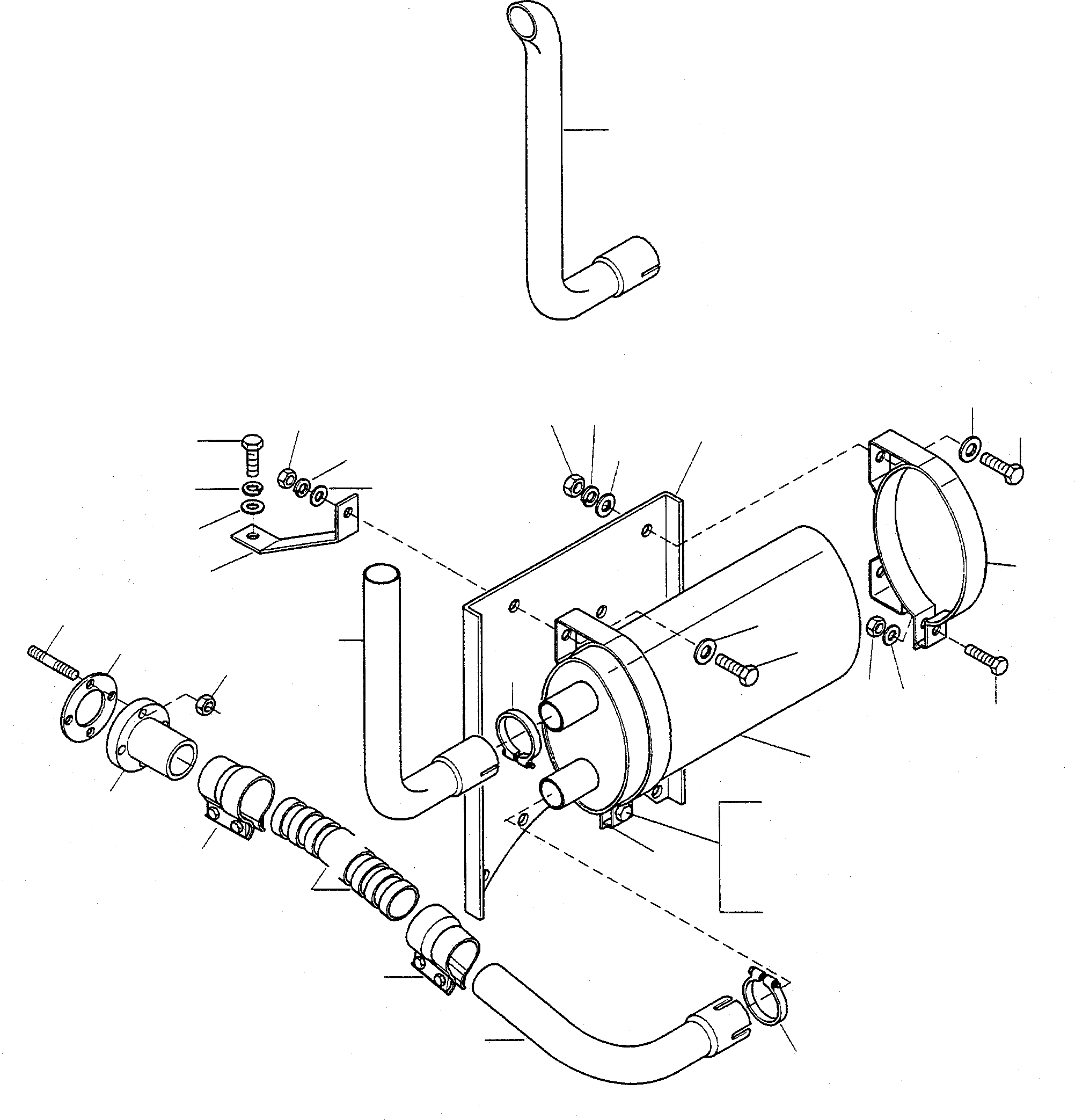
Запчасти Komatsu WA75-1 ВЫПУСКН. СИСТЕМА, СТАНДАРТН., EXECUTION I ДВИГАТЕЛЬ, КРЕПЛЕНИЕ ДВИГАТЕЛЯ

Схема запчастей Komatsu WA75-1 - ВЫПУСКН. СИСТЕМА, СТАНДАРТН., EXECUTION I ДВИГАТЕЛЬ, КРЕПЛЕНИЕ ДВИГАТЕЛЯ
25
15
19
20
20
14
16
21
18
19
18
22
23
10
17
2
15
24
1
14
4
8
13
12
11
9
3
11
12
10
5
13
6
5
7
8
FIT
1:1
100%

Артикул

Название

Примечание

Количество

1

4240387M1

GASKET

1шт.

2

1443737X1

STUD BOLT

4шт.

3

4240389M91

FLANGE

1шт.

4

1444329X1

NUT

4шт.

5

4227724M91

CLIP

2шт.

6

4227726M1

FLEXIBLE TUBE

1шт.

7

4240390M91

EXHAUST PIPE

1шт.

8

4700127X91

CLIP

2шт.

9

4240232M91

SILENCER

1шт.

10

4241673M91

CLIP

2шт.

11

339761X1

SCREW

2шт.

12

390972X1

PLAIN WASHER

2шт.

13

339169X1

NUT

2шт.

14

339401X1

SCREW

4шт.

15

390597X1

PLAIN WASHER

4шт.

16

4240381M1

MOUNTING

1шт.

17

4240386M1

BRACKET

1шт.

18

390734X1

PLAIN WASHER

4шт.

19

2993793X1

SPRING WASHER

4шт.

20

339402X1

NUT

4шт.

21

2998674M1

SCREW

1шт.

22

2993792X1

SPRING WASHER

1шт.

23

390972X1

PLAIN WASHER

1шт.

24

EXHAUST PIPE

1шт.

25

4241343M91

EXHAUST PIPE

1шт.

Выбрано товаров: 25