Запчасти Komatsu WA75-1 РАДИАТОР, EXECUTION II РАДИАТОР ATTACHING ЧАСТИ

Схема запчастей Komatsu WA75-1 - РАДИАТОР, EXECUTION II РАДИАТОР ATTACHING ЧАСТИ
8
7
8
1
9
10
6
11
15
3
13
18
16
5
12
17
19
2
18
20
4
8
20
18
12
14
17
19
18
8
15
FIT
1:1
100%

Артикул

Название

Примечание

Количество

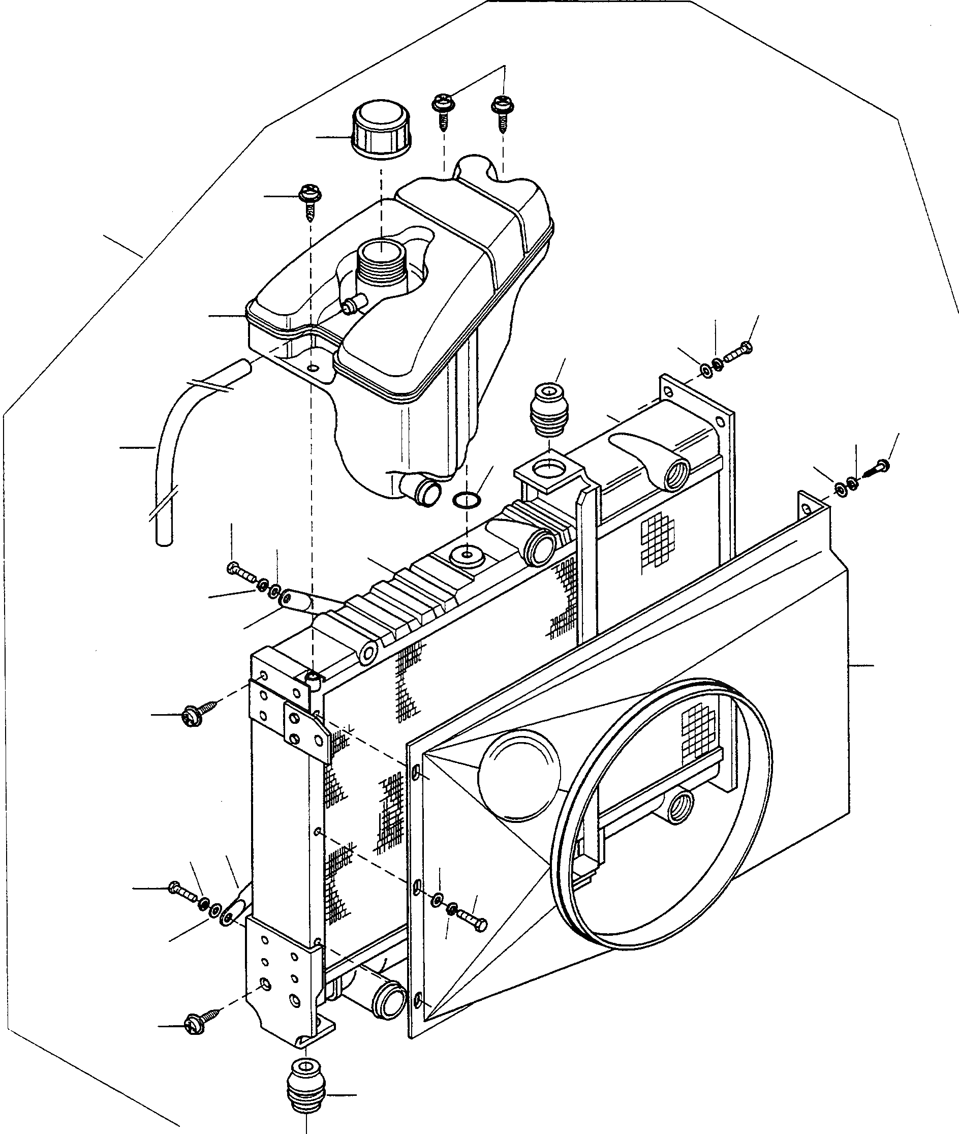
1

4241404M91

COOLER

1шт.

2

4919244M91

COOLER

1шт.

3

4919245M91

OIL COOLER

1шт.

4

4919246M1

HOOD

1шт.

5

4917479M1

O-RING

1шт.

6

4917480M1

CONTAINER

1шт.

7

4917481M91

LOCKING UNIT

1шт.

8

4917482M1

SCREW

11шт.

9

339761X1

SCREW

4шт.

10

1443789X1

SPRING WASHER

4шт.

11

391039X1

PLAIN WASHER

4шт.

12

3001853X1

PLAIN WASHER

6шт.

13

1444289X1

SCREW

3шт.

14

391652X1

SCREW

3шт.

15

4240659M1

BUFFER

3шт.

16

2995663X1

HOSE

1шт.

17

339230X1

SCREW

6шт.

18

1443791X1

SPRING WASHER

12шт.

19

3001853X1

PLAIN WASHER

6шт.

20

4919247M91

TIE ROD

1шт.

Выбрано товаров: 20