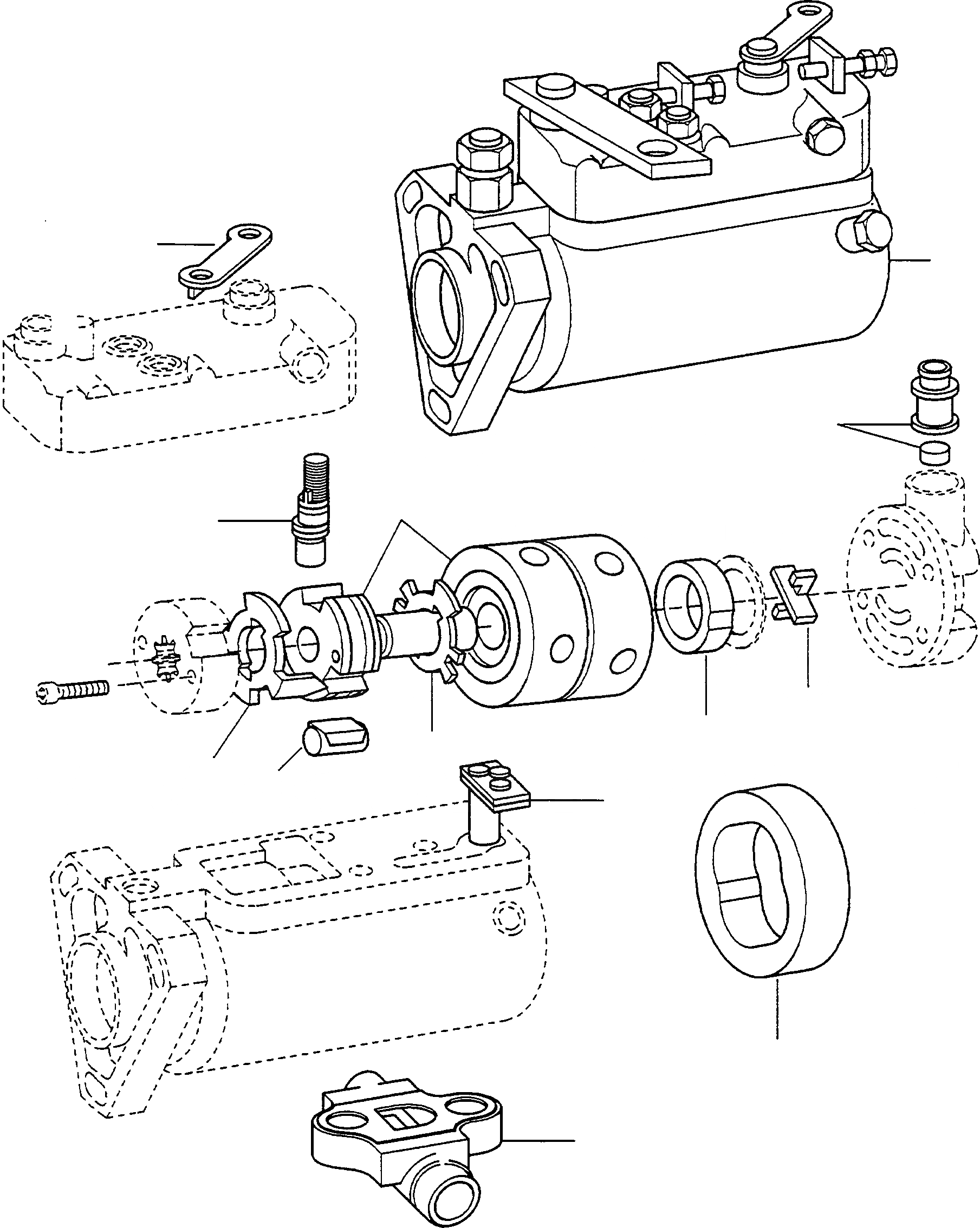
Запчасти Komatsu WA75-1S ТОПЛ. НАСОС, КУЗОВ НАСОС ДВИГАТЕЛЬ, КРЕПЛЕНИЕ ДВИГАТЕЛЯ

Схема запчастей Komatsu WA75-1S - ТОПЛ. НАСОС, КУЗОВ НАСОС ДВИГАТЕЛЬ, КРЕПЛЕНИЕ ДВИГАТЕЛЯ
11
1
39
2
5
10
3
4
8
8
7
9
6
12
FIT
1:1
100%

Артикул

Название

Примечание

Количество

1

4917235M91

INJECTION PUMP

1шт.

2

4917245M1

SLEEVE

1шт.

3

4917246M1

IMPELLER

1шт.

4

4917247M1

BUSHING

1шт.

5

4917248M91

ROTOR

1шт.

6

4917249M1

RING

1шт.

7

4917250M91

SHAFT KIT

1шт.

8

4917251M91

PLATE

1шт.

9

4917252M1

VALVE

1шт.

10

4917253M1

SHAFT

1шт.

11

4917254M1

LEVER

1шт.

12

4917255M1

PISTON

1шт.

Выбрано товаров: 0