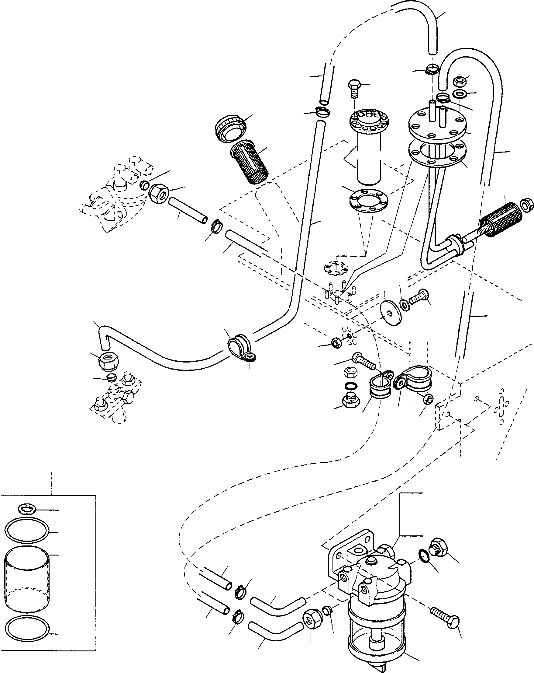
Запчасти Komatsu WA75-1S ТОПЛИВН. СИСТЕМА, PRE ФИЛЬТР., EXECUTION II ДВИГАТЕЛЬ, КРЕПЛЕНИЕ ДВИГАТЕЛЯ

Схема запчастей Komatsu WA75-1S - ТОПЛИВН. СИСТЕМА, PRE ФИЛЬТР., EXECUTION II ДВИГАТЕЛЬ, КРЕПЛЕНИЕ ДВИГАТЕЛЯ
33
27C
27B
27A
27A
10
18
12
33
3
13
18
1
18
14
2
19
4
26
15
17
5
25
16
36
32
18
31
7
8
6
36
19
37
9
35
21
34
11
23
22
24
27
28
29
31
29
18
28
20
19
26
18
30
25
20
27
FIT
1:1
100%

Артикул

Название

Примечание

Количество

1

4240402M91

COVER

1шт.

2

4242022M91

STRAINER

1шт.

3

3000984X1

SCREW

6шт.

4

3092035M91

SENDER

1шт.

5

2945530M1

GASKET

1шт.

6

339721X1

SCREW

1шт.

7

3001853X1

PLAIN WASHER

1шт.

8

2950350M1

DISC

1шт.

9

392290X1

NUT

1шт.

10

390855X1

SEAL

1шт.

11

1444268X1

PLUG

1шт.

12

2993914X1

NUT

6шт.

13

390734X1

PLAIN WASHER

6шт.

14

4240261M91

FLANGE

1шт.

15

4226395M1

GASKET

1шт.

16

2871766M91

SIEVE

1шт.

17

2998708M1

NUT

1шт.

18

2995123X1

CLIP

6шт.

19

2995406X1

HOSE

1шт.

20

4228804M1

TUBE

2шт.

21

339560X1

SCREW

1шт.

22

1444658X1

CLIP

1шт.

23

1444665X1

CLIP

1шт.

24

1444325X1

NUT

1шт.

25

4905433M1

BOXNUT

3шт.

26

4905434M1

OLIVE

3шт.

27

4906555M1

PRE FILTER

1шт.

27A

4917807M1

GLASS

1шт.

27B

4905438M1

GASKET

2шт.

27C

4905439M1

DISC

1шт.

28

4905435M1

SEAL

2шт.

29

4905436M1

SCREW

2шт.

30

1444137X1

SCREW

2шт.

31

2995406X1

HOSE

1шт.

32

4250399M1

TUBE

1шт.

33

2995406X1

HOSE

1шт.

34

4906754M1

OLIVE

1шт.

35

4906206M1

BOXNUT

1шт.

36

4241533M91

PIPE

1шт.

37

1444654X1

CLIP

1шт.

Выбрано товаров: 0