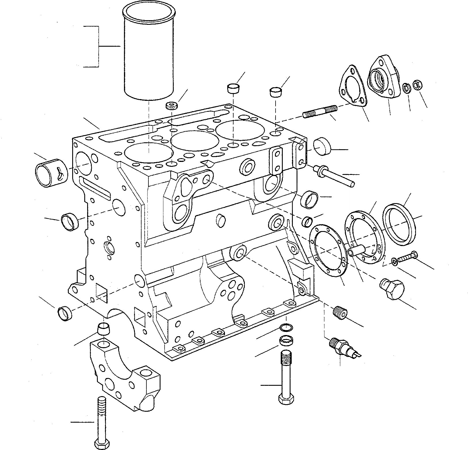
Запчасти Komatsu WA75-1S БЛОК ЦИЛИНДРОВ И ATTACHING ЧАСТИ ДВИГАТЕЛЬ, КРЕПЛЕНИЕ ДВИГАТЕЛЯ

Схема запчастей Komatsu WA75-1S - БЛОК ЦИЛИНДРОВ И ATTACHING ЧАСТИ ДВИГАТЕЛЬ, КРЕПЛЕНИЕ ДВИГАТЕЛЯ
2
3
18
19
8
1
32
31
17
29
16
15
5
27
21
20
6
7
4
24
25
23
14
22
30
26
13
9
11
28
12
10
FIT
1:1
100%

Артикул

Название

Примечание

Количество

1

4917180M91

B0OK

1шт.

2

4910847M1

LINER

3шт.

3

4910848M1

LINER

-26шт.

4

4905342M1

PLUG

1шт.

5

4909158M1

PLUG

1шт.

6

4905342M1

PLUG

4шт.

7

4917181M1

PLUG

2шт.

8

4910849M1

PLUG

1шт.

9

4906895M1

TUBE

6шт.

10

4910850M1

SCREW

6шт.

11

4906895M1

TUBE

2шт.

12

4910851M1

SCREW

2шт.

13

4910852M1

O-RING

2шт.

14

4908548M1

PLUG

2шт.

15

4910853M1

BUSHING

1шт.

16

4917182M1

GASKET

1шт.

17

4917183M1

PLATE

1шт.

18

4910855M1

PLUG

2шт.

19

4910856M1

PLUG

2шт.

20

4910857M91

HOUSING

1шт.

21

4906649M1

SEAL

1шт.

22

4910858M1

GASKET

1шт.

23

4910859M1

DOWEL

2шт.

24

4905376M1

SCREW

9шт.

25

4905377M1

PLAIN WASHER

9шт.

26

4917184M1

PLUG

1шт.

27

4906599M1

PLUG

1шт.

28

3071610M2

OIL SWITCH

1шт.

29

4905753M1

SCREW

3шт.

30

4905365M1

SCREW

1шт.

31

4905353M1

SPRING WASHER

3шт.

32

4905364M1

NUT

3шт.

Выбрано товаров: 0