Запчасти Komatsu WA75-1S WINDЗАЩИТН. ДВОРНИКИ-ОМЫВАТЕЛЬ СИСТЕМА ЭЛЕКТРИЧ. СИСТЕМА

Схема запчастей Komatsu WA75-1S - WINDЗАЩИТН. ДВОРНИКИ-ОМЫВАТЕЛЬ СИСТЕМА ЭЛЕКТРИЧ. СИСТЕМА
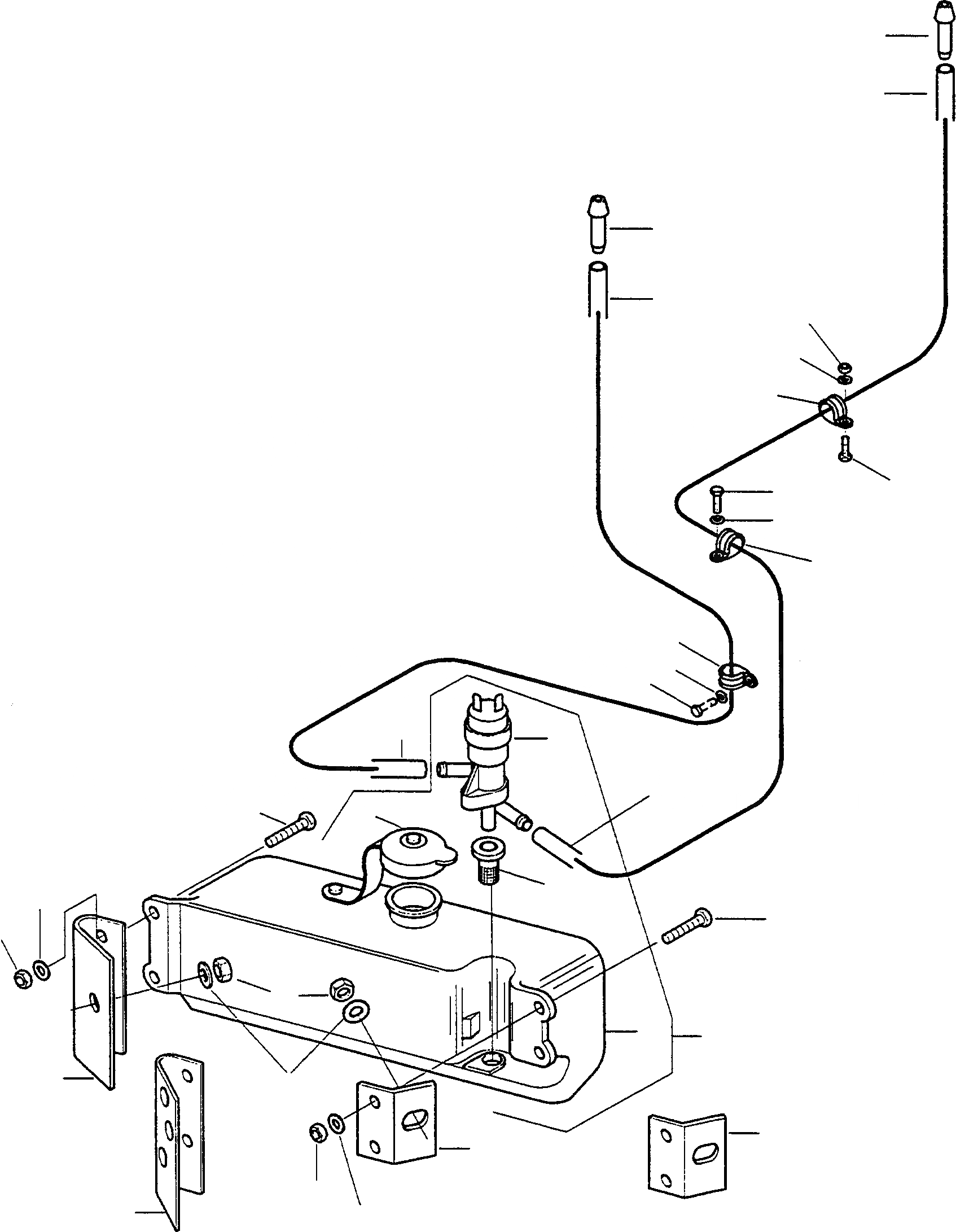
21
15
13
6A
21
9A
20
13
19
18
17
16
15
14
14
16
13
4
13
10
2
5
11
10
12
8
3
1
6
7
9
12
11
FIT
1:1
100%

Артикул

Название

Примечание

Количество

1

4242005M91

CONTAINER

1шт.

2

4917442M1

COVER

1шт.

3

4917443M1

CONTAINER

1шт.

4

4241679M91

PUMP

1шт.

5

4917445M1

SIEVE

1шт.

6

NOT USED

-1шт.

6A

4241190M1

BRACKET

1шт.

7

391039X1

PLAIN WASHER

2шт.

8

1444329X1

NUT

2шт.

9

NOT USED

-1шт.

9A

4241191M1

BRACKET

1шт.

10

1441914X1

SCREW

4шт.

11

1440998X1

SPRING PLATE

4шт.

12

339030X1

NUT

4шт.

13

3002517X1

HOSE

2шт.

14

1444661X1

CLIP

2шт.

15

1440998X1

SPRING PLATE

2шт.

16

391074X1

SCREW

2шт.

17

339560X1

SCREW

1шт.

18

1444653X1

CLIP

1шт.

19

1443791X1

SPRING WASHER

1шт.

20

339030X1

NUT

1шт.

21

4241224M1

CONNECTION

2шт.

Выбрано товаров: 23