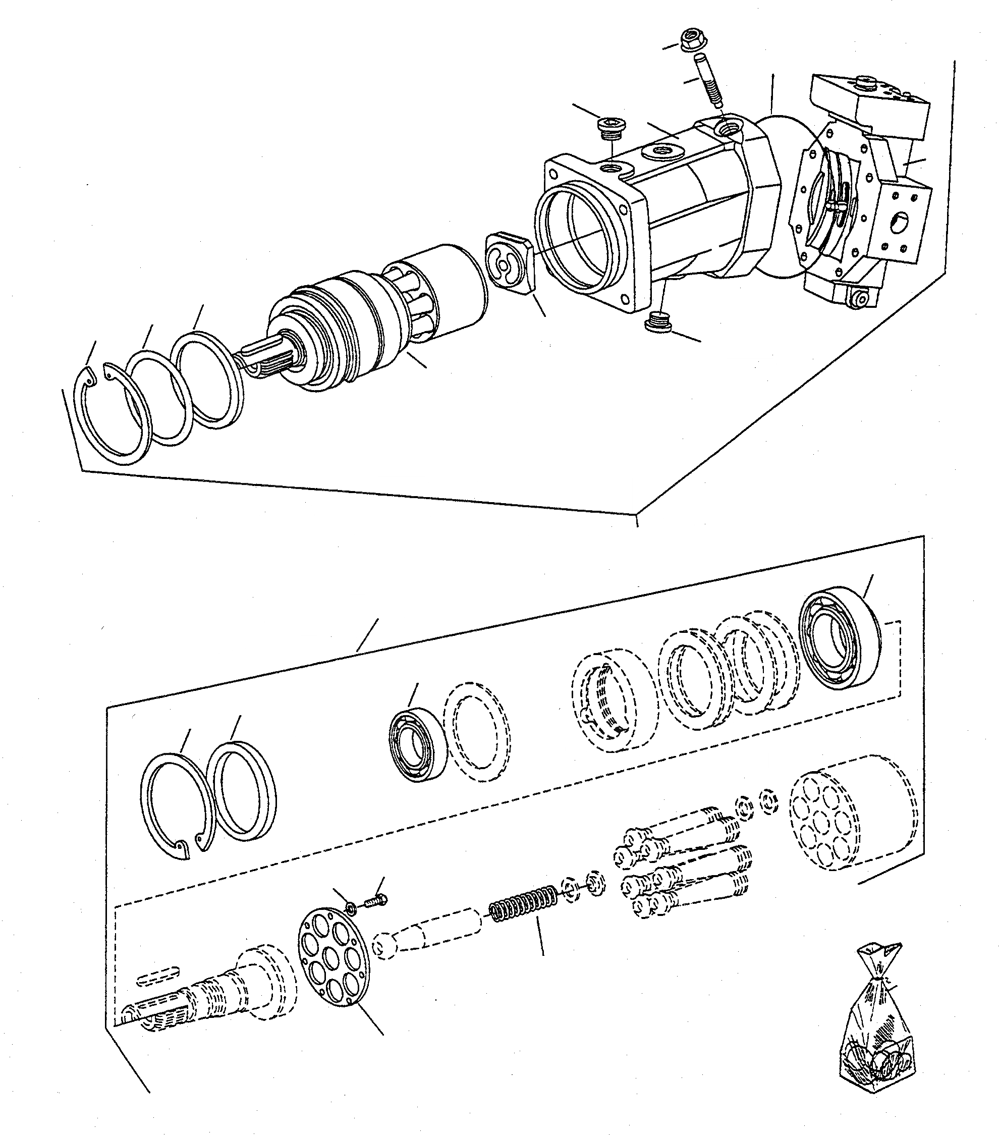
Запчасти Komatsu WA75-1S AXIAL ПОРШЕНЬ ДВИГАТЕЛЬ ТРАНСМИССИЯ, КРЕСТОВИНА

Схема запчастей Komatsu WA75-1S - AXIAL ПОРШЕНЬ ДВИГАТЕЛЬ ТРАНСМИССИЯ, КРЕСТОВИНА
21
5
12
6
4
3
2
11
10
9
8
4
7
1
16
7
15
14
13
17
18
19
20
FIT
1:1
100%

Артикул

Название

Примечание

Количество

1

4242038M91

AXIAL PISTON ENGINE

1шт.

2

4920044M91

VARIATOR

1шт.

|$22

VARIATOR

-3шт.

3

HOUSING

1шт.

4

4919864M1

PLUG

2шт.

5

4918332M1

NUT

2шт.

6

4918225M1

GRUB SCREW

2шт.

7

4920045M91

TRANSMISSION

1шт.

8

4920046M1

LENS

1шт.

9

1440480X1

CIRCLIP

1шт.

10

4920047M1

SHIM

1шт.

11

4920048M1

SEAL

1шт.

12

4920049M1

O-RING

1шт.

13

339470X1

CIRCLIP

1шт.

14

4920050M1

DISC

1шт.

15

4920051M1

BEARING

1шт.

16

4920052M1

BEARING

1шт.

17

4919872M1

SCREW

14шт.

18

NOT USED

-1шт.

19

4920053M1

SPRING

1шт.

20

2954650M1

PLATE

1шт.

21

4920054M91

PACKING KIT

1шт.

Выбрано товаров: 22