Запчасти Komatsu WA75-3 QUICK CHANGE DEVICE ОБОРУД-Е

Схема запчастей Komatsu WA75-3 - QUICK CHANGE DEVICE ОБОРУД-Е
1
2
3
4
5
3
3
5
4
5
5
4
6
7
8
9
9
10
10
11
11
12
12
13
13
14
14
15
15
16
16
17
18
17
18
19
19
20
21
20
21
22
23
23
22
23
23
24
25
25
24
25
25
25
FIT
1:1
100%

Артикул

Название

Примечание

Количество

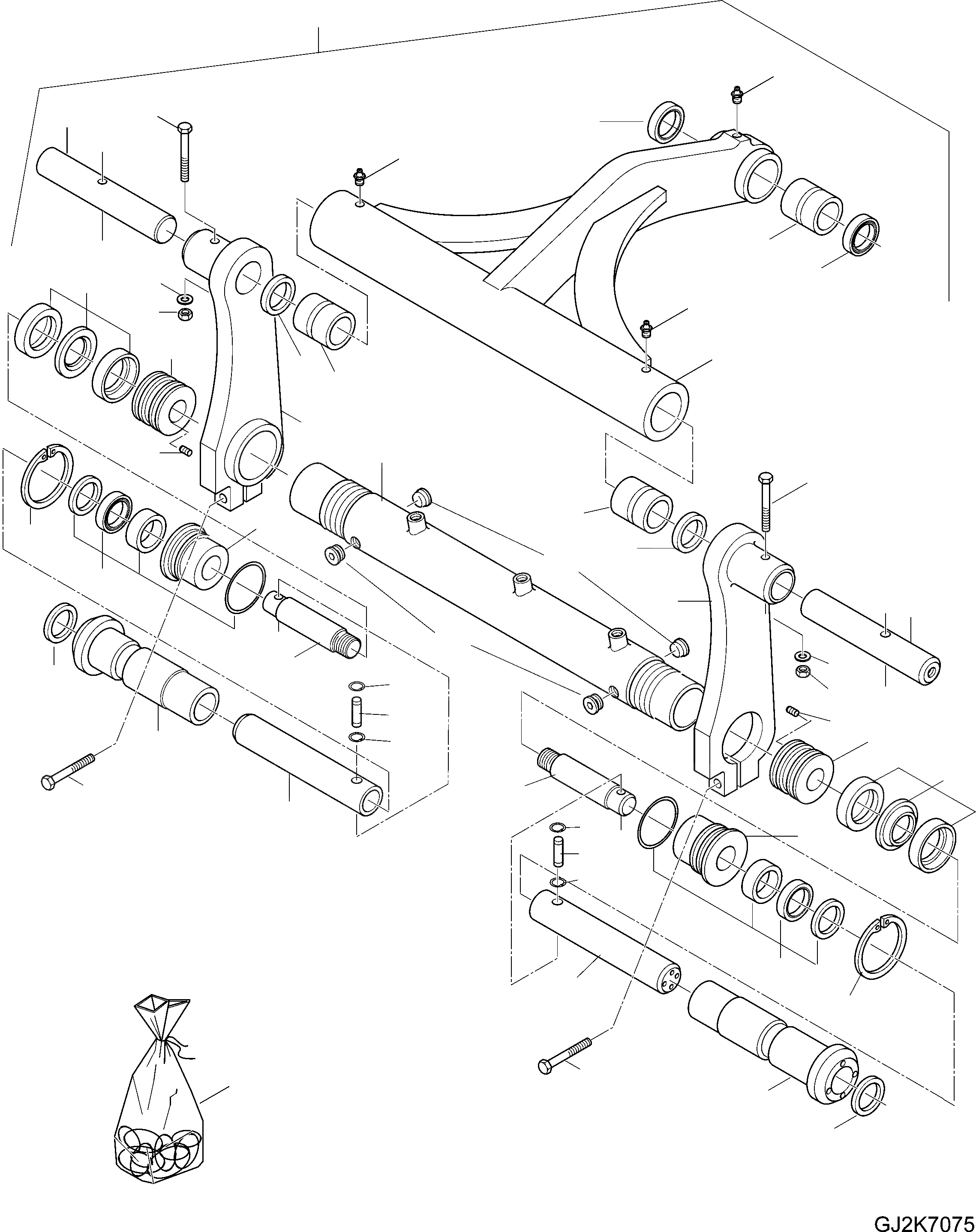
1

42U-70-11210

CHANGE DEVICE

1шт.

2

42U-70-H0P67

TILT ROD

1шт.

3

42Y-00-H0040

LUBRICATION NIPPLE

3шт.

4

42U-70-11E90

BUSHING

3шт.

5

42W-09-H0480

STRIPPER

4шт.

|$6

42U-70-H0R55

HINGE ROD KIT

1шт.

6

0

HINGE ROD

1шт.

7

0

HINGE ROD

1шт.

8

42U-70-H0P74

CYLINDER

1шт.

9

42U-70-H0P75

PISTON

2шт.

10

42U-70-H0P76

GRUB SCREW

2шт.

11

42U-70-H0P77

CYLINDER ROD

2шт.

12

42U-70-H0P78

GUIDE BUSH

2шт.

13

42U-70-H0P79

CIRCLIP

2шт.

14

42U-70-H0P80

SCREW

4шт.

15

42U-70-H0P68

PIN

2шт.

16

42Y-00-H1180

SCREW

2шт.

17

01642-21016

PLAIN WASHER

2шт.

18

01580-11008

NUT

2шт.

19

01010-51685

SCREW

2шт.

20

42U-70-H0P69

BUSHING

2шт.

21

42U-70-H0P70

STRIPPER

2шт.

22

42U-70-H0P71

PIN

2шт.

23

42U-70-H0P72

CIRCLIP

4шт.

24

42U-70-H0P73

PIN

2шт.

25

42U-70-H0P81

GASKET KIT

1шт.

Выбрано товаров: 26