Запчасти Komatsu WA75-3 STARTERМОТОР ЭЛЕКТРИЧ. СИСТЕМА

Схема запчастей Komatsu WA75-3 - STARTERМОТОР ЭЛЕКТРИЧ. СИСТЕМА
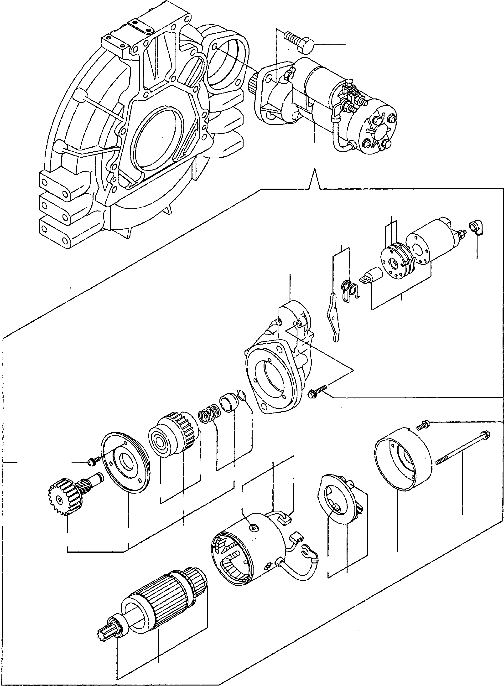
22
1
19
17
21
20
16
3
12
4
14
11
5
10
18
9
15
13
6
8
7
2
FIT
1:1
100%

Артикул

Название

Примечание

Количество

1

YM129900-77010

STARTERMOTOR

1шт.

2

YM129900-77400

ANCHOR

1шт.

3

YM129900-77440

FIELD COIL ASSEMBLY

1шт.

4

YM129900-77450

BRUSH

2шт.

5

YM171008-77450

SCREW

4шт.

6

YM129900-77460

COVER

1шт.

7

YM129900-77480

HOUSING

1шт.

8

YM129900-77500

BRUSH

2шт.

9

YM129900-77510

DRIVE

1шт.

10

YM129900-77520

COUPLING/CLUTCH

1шт.

11

YM171008-77730

BEARING

1шт.

12

YM171008-77740

BEARING

1шт.

13

YM129900-77540

DRIVE PINION

1шт.

14

YM129900-77550

STOP

1шт.

15

YM129900-77610

COVER

1шт.

16

YM129900-77590

SOLENOID SWITCH

1шт.

17

YM129900-77620

LEVER

1шт.

18

YM129900-77640

SCREW

2шт.

19

YM129900-77650

DUST COVER

1шт.

20

YM129900-77710

HOUSING

1шт.

21

YM171008-77750

SECURITY CAP

1шт.

22

YM26116-120302

SCREW

2шт.

Выбрано товаров: 22