Запчасти Komatsu WA80-3-CN РАДИАТОР (РЕЗЕРВН. БАК И ТРУБЫ)(№-) СИСТЕМА ОХЛАЖДЕНИЯ

Схема запчастей Komatsu WA80-3-CN - РАДИАТОР (РЕЗЕРВН. БАК И ТРУБЫ)(№-) СИСТЕМА ОХЛАЖДЕНИЯ
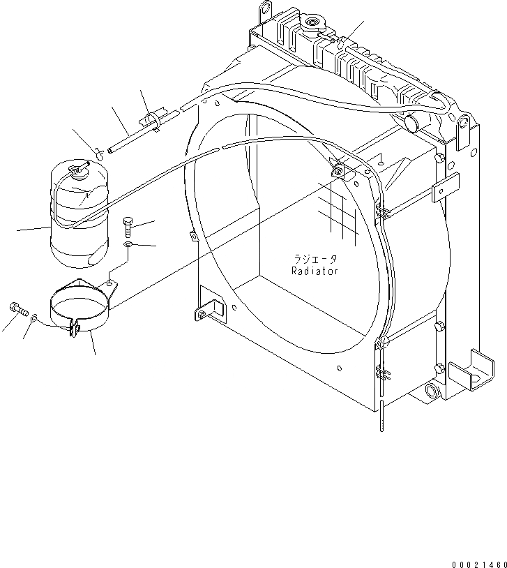
1
2
3
4
5
6
7
8
8
9
FIT
1:1
100%

Артикул

Название

Примечание

Количество

1

417-03-21291

TANK

SN: 11127-UP

1шт.

|1

417-03-21360

CAP

SN: 11127-UP

1шт.

2

415-03-21541

BAND

SN: 12001-UP

1шт.

3

01010-80825

BOLT

SN: 12001-UP

1шт.

4

01643-30823

WASHER

SN: 12001-UP

1шт.

5

01010-81025

BOLT

SN: 12001-UP

2шт.

6

01643-31032

WASHER

SN: 12001-UP

2шт.

7

22T-03-22341

HOSE

SN: 12001-UP

1шт.

8

206-03-43340

CLIP

SN: 10001-UP

2шт.

9

08034-50536

BAND

SN: 12001-UP

1шт.

Выбрано товаров: 10