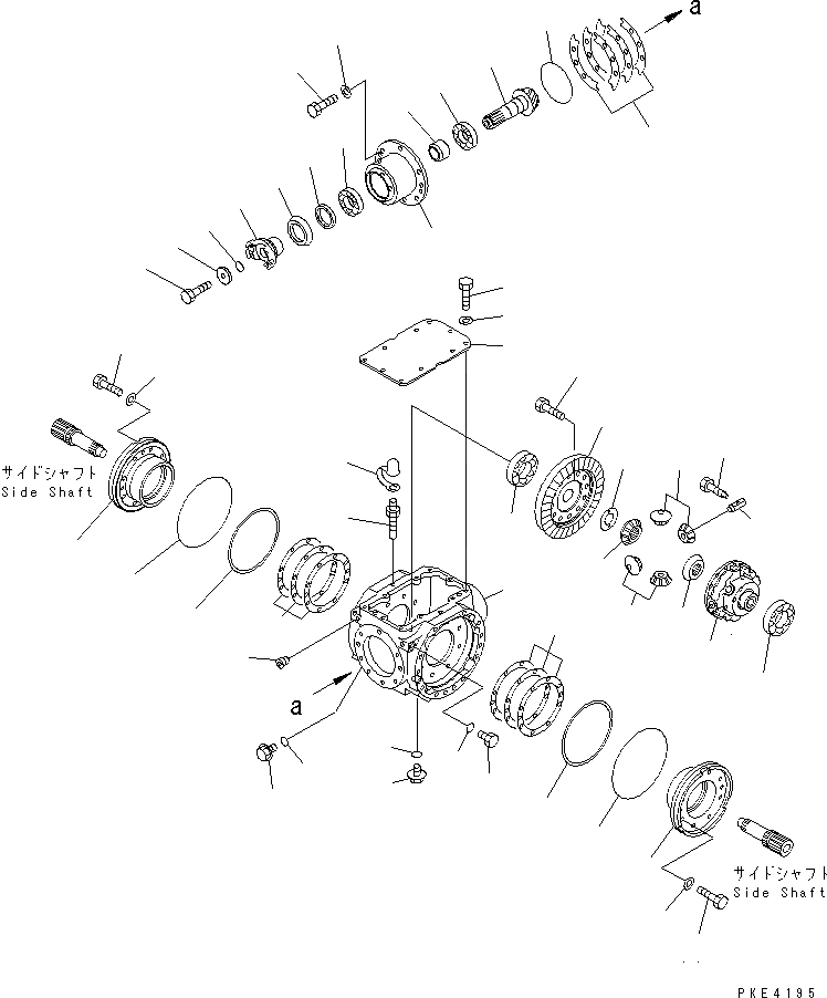
Запчасти Komatsu WA80-3 ЗАДН. МОСТ (ДИФФЕРЕНЦ.) СИЛОВАЯ ПЕРЕДАЧА

Схема запчастей Komatsu WA80-3 - ЗАДН. МОСТ (ДИФФЕРЕНЦ.) СИЛОВАЯ ПЕРЕДАЧА
1
1
2
3
4
5
6
7
8
9
10
11
12
13
14
15
16
17
18
18
19
19
20
21
22
23
24
24
25
26
27
28
29
30
31
32
33
34
35
36
37
38
38
39
39
40
40
41
41
42
42
43
43
FIT
1:1
100%

Артикул

Название

Примечание

Количество

|$1

415-23-20001

AXLE ASS'Y,REAR

SN: 10001-UP

1шт.

|$$2

THIS ASSEMBLY CONSISTS OF ALL PARTS SHOWN IN FIGS.F4500-01A0 TO F4500-05A0.

-1шт.

1

363-22-31230

COUPLING

SN: 10001-UP

1шт.

2

363-22-31310

PROTECTOR

SN: 10001-UP

1шт.

|$8

415-23-21201

PINION ASS'Y

SN: 10001-UP

1шт.

3

0

GEAR

SN: 10001-UP

1шт.

4

0

PINION

SN: 10001-UP

1шт.

5

415-22-11830

BEARING

SN: 10001-UP

1шт.

6

415-23-21131

CAGE

SN: 10001-UP

1шт.

7

363-22-31820

BEARING

SN: 10001-UP

1шт.

8

415-23-21260

SPACER

SN: 10001-UP

1шт.

9

363-22-31250

SEAL

SN: 10001-UP

1шт.

10

415-22-11241

HOLDER

SN: 10001-UP

1шт.

11

01010-31285

BOLT

SN: .-UP

1шт.

11

0

BOLT

SN: 10001-.

1шт.

12

07000-13025

O-RING

SN: 10001-UP

1шт.

13

07000-12115

O-RING

SN: 10001-UP

1шт.

14

415-22-11360

SHIM, 0.05MM

SN: 10001-UP

2шт.

14

415-22-11370

SHIM, 0.10MM

SN: 10001-UP

2шт.

14

415-22-11380

SHIM, 0.40MM

SN: 10001-UP

2шт.

15

01010-31235

BOLT

SN: .-UP

9шт.

15

0

BOLT

SN: 10001-.

9шт.

16

01643-31232

WASHER

SN: 10001-UP

9шт.

17

415-22-21511

CARRIER

SN: 10001-UP

1шт.

18

415-22-21431

GEAR

SN: 10001-UP

2шт.

19

415-22-21421

PINION

SN: 10001-UP

4шт.

20

415-22-21411

SHAFT

SN: 10001-UP

4шт.

21

415-22-11530

WASHER

SN: 10001-UP

1шт.

22

415-22-11440

BOLT

SN: 10001-UP

4шт.

23

01010-31240

BOLT

SN: .-UP

8шт.

23

0

BOLT

SN: 10001-.

8шт.

24

415-22-11850

BEARING

SN: 10001-UP

2шт.

25

415-23-13113

HOUSING

SN: 10001-UP

1шт.

26

07044-12412

PLUG

SN: 10001-UP

1шт.

27

07002-12434

O-RING

SN: 10001-UP

1шт.

28

419-22-13140

PLUG

SN: 10001-UP

2шт.

29

07002-13034

O-RING

SN: 10001-UP

2шт.

30

07043-70211

PLUG

SN: 10001-UP

2шт.

31

419-33-11460

BLEEDER

SN: 10001-UP

2шт.

32

07040-11209

PLUG

SN: 10001-UP

2шт.

33

07002-11223

O-RING

SN: 10001-UP

2шт.

34

415-22-13120

COVER

SN: 10001-UP

1шт.

35

01010-61025

BOLT

SN: 10001-UP

10шт.

36

01643-31032

WASHER

SN: 10001-UP

10шт.

37

566-32-11620

CAP

SN: 10001-UP

2шт.

38

415-22-11161

CARRIER

SN: 10001-UP

2шт.

39

415-22-11560

SHIM, 0.07MM

SN: 10001-UP

2шт.

39

415-22-11570

SHIM, 0.2MM

SN: 10001-UP

2шт.

39

415-22-11580

SHIM, 0.3MM

SN: 10001-UP

2шт.

39

415-22-11590

SHIM, 0.8MM

SN: 10001-UP

2шт.

40

415-33-11432

RING

SN: 10001-UP

2шт.

41

01010-60825

BOLT

SN: 10001-UP

16шт.

42

01643-50823

WASHER

SN: 10001-UP

16шт.

43

415-33-11420

O-RING

SN: 10001-UP

2шт.

Выбрано товаров: 54