Запчасти Komatsu WA80-3 КАБИНА (ЭЛЕКТРИКА)(№-7) OPERATIORS ОБСТАНОВКА И СИСТЕМА УПРАВЛЕНИЯ

Схема запчастей Komatsu WA80-3 - КАБИНА (ЭЛЕКТРИКА)(№-7) OPERATIORS ОБСТАНОВКА И СИСТЕМА УПРАВЛЕНИЯ
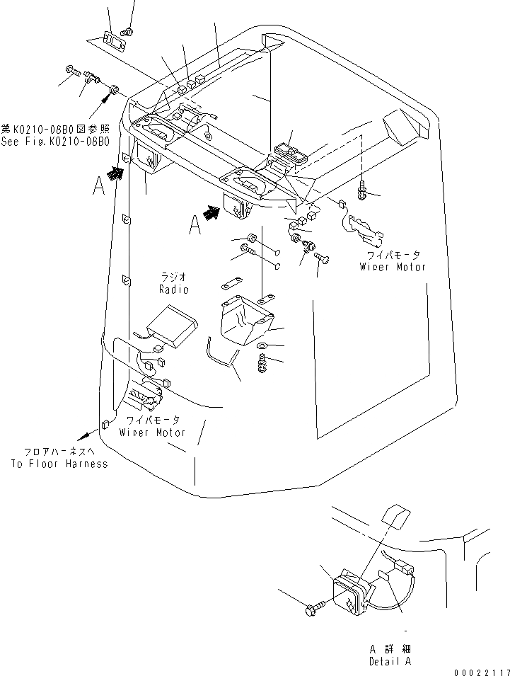
1
2
3
4
5
6
7
8
9
10
11
12
13
13
14
14
15
15
16
16
17
18
19
20
FIT
1:1
100%

Артикул

Название

Примечание

Количество

|$3

415-56-22090

CAB ASS'Y

SN: 12001-12237

1шт.

|$4

415-56-22410

CAB ASS'Y,(WITH AIR CONDITIONER)

SN: 12001-12237

1шт.

|$5

415-56-22440

CAB ASS'Y,(FOR SNOW BLADE)

SN: 12001-12237

1шт.

|$$4

THESE ASSEMBLIES CONSIST OF ALL PARTS SHOWN IN FIGS.K0210-01B0 TO K0210-18B5.

-1шт.

1

421-06-23360

LAMP ASS'Y,WORK

SN: 11001-12237

2шт.

1

421-06-23320

LENS

SN: 11001-12237

2шт.

1

421-06-23330

BULB, 70W

SN: 11001-12237

2шт.

2

01435-01220

BOLT

SN: 11001-12237

2шт.

3

421-56-21680

FASTENER

SN: 11001-12237

4шт.

4

421-56-21330

COVER,L.H.

SN: 11001-12237

1шт.

5

421-56-21340

COVER,R.H.

SN: 11001-12237

1шт.

6

421-56-21350

SEAL

SN: 11001-12237

2шт.

7

01023-70512

SCREW

SN: 11001-@

8шт.

8

01642-40608

WASHER

SN: 11001-@

8шт.

9

421-56-21420

PANEL,SWITCH

SN: 11001-@

2шт.

10

01224-70516

SCREW

SN: 11001-@

4шт.

11

421-06-26210

LAMP ASS'Y,ROOM

SN: 11001-@

1шт.

11

421-06-26250

LENS

SN: 11001-@

2шт.

11

421-06-26260

BULB, 10W

SN: 11001-@

2шт.

12

01023-70512

SCREW

SN: 11001-@

2шт.

13

424-926-3490

SWITCH,DOOR

SN: 12001-@

2шт.

14

08056-00111

CONNECTOR

SN: 12001-@

2шт.

15

08056-00130

HOLDER

SN: 12001-@

2шт.

16

01220-70512

SCREW

SN: 11001-@

2шт.

17

01220-70412

SCREW

SN: 11001-@

2шт.

18

09415-00706

CAP

SN: 11001-@

1шт.

19

415-06-21122

WIRING HARNESS

SN: 12197-12237

1шт.

19

415-06-21121

WIRING HARNESS

SN: 12001-12196

1шт.

20

417-56-21150

CABLE

SN: 11001-@

1шт.

Выбрано товаров: 29