Запчасти Komatsu WA80-3 КАБИНА ЭЛЕКТР. (С КАБИНОЙ И КОНДИЦ. ВОЗДУХА¤ С КАБИНОЙ И ОБОГРЕВАТЕЛЬ.)(№8-) OPERATIORS ОБСТАНОВКА И СИСТЕМА УПРАВЛЕНИЯ

Схема запчастей Komatsu WA80-3 - КАБИНА ЭЛЕКТР. (С КАБИНОЙ И КОНДИЦ. ВОЗДУХА¤ С КАБИНОЙ И ОБОГРЕВАТЕЛЬ.)(№8-) OPERATIORS ОБСТАНОВКА И СИСТЕМА УПРАВЛЕНИЯ
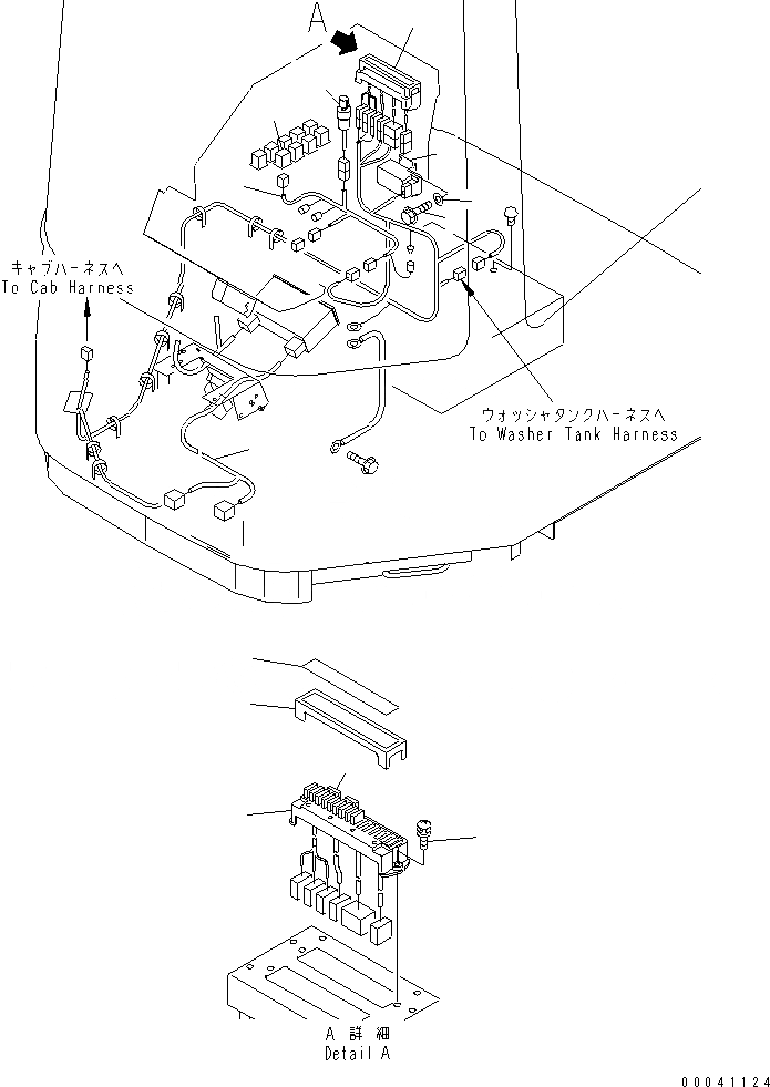
1
2
3
4
4
5
6
7
8
9
10
11
12
FIT
1:1
100%

Артикул

Название

Примечание

Количество

1

421-06-26220

RELAY,WIPER

SN: 11258-UP

1шт.

2

01643-30623

WASHER

SN: 12180-UP

2шт.

3

01435-00612

BOLT

SN: 11258-UP

2шт.

4

415-06-22930

FUSE BOX ASS'Y

SN: 12018-UP

1шт.

5

283-06-16190

FUSE, 10A

SN: 11258-UP

7шт.

5

22W-06-13160

FUSE, 20A

SN: 11258-UP

4шт.

6

283-06-16120

COVER

SN: 11258-UP

1шт.

7

01023-70520

SCREW

SN: 11258-UP

2шт.

8

417-93-21130

PLATE, NAME,FUSE

SN: 11258-UP

1шт.

9

415-06-26141

WIRING HARNESS

SN: 12001-UP

1шт.

10

416-06-21120

SWITCH

SN: 11258-UP

1шт.

10

205-06-71370

SWITCH

SN: 11258-UP

1шт.

10

416-06-21140

KNOB

SN: 11258-UP

1шт.

11

569-06-61970

RELAY

SN: 11258-UP

1шт.

12

415-06-22920

WIRING HARNESS

SN: 12018-UP

1шт.

Выбрано товаров: 0